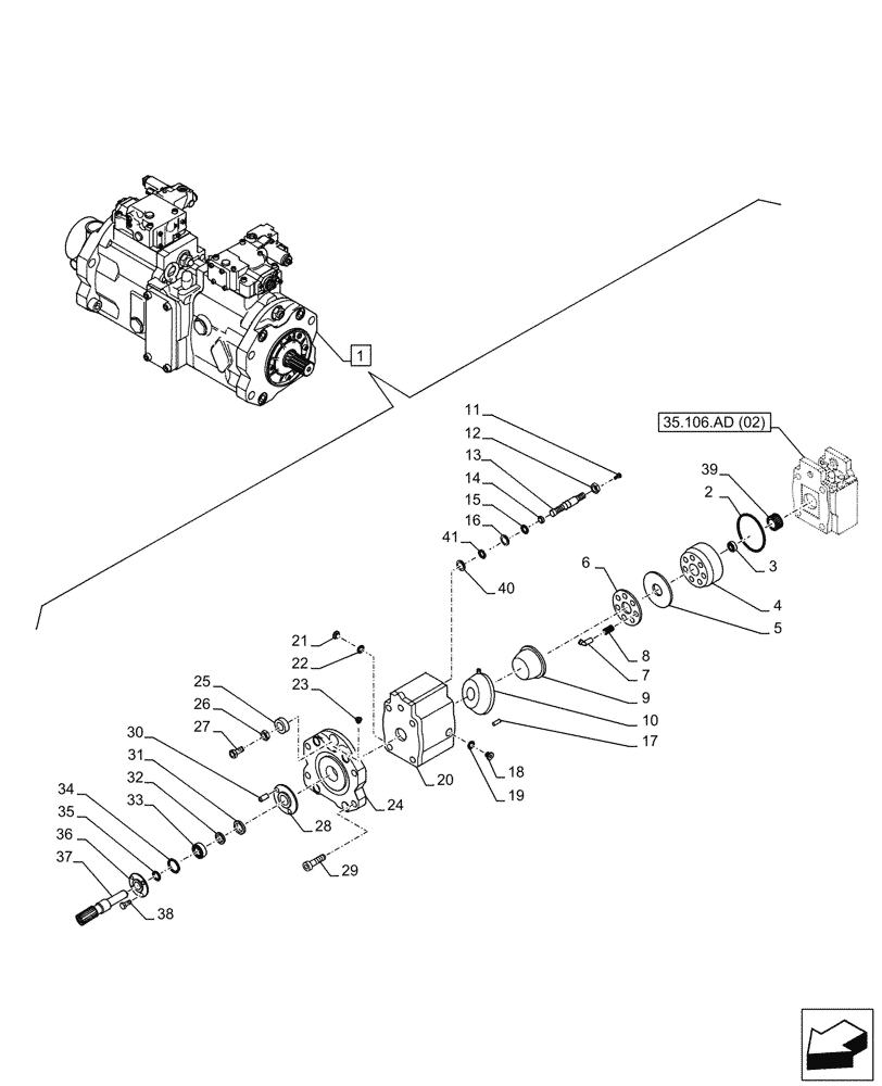
Запчасти Case CX210D LC LR (35.106.AD[03]) - VARIABLE DELIVERY HYDRAULIC PUMP, COMPONENTS (35) - HYDRAULIC SYSTEMS

Схема запчастей Case CX210D LC LR - (35.106.AD[03]) - VARIABLE DELIVERY HYDRAULIC PUMP, COMPONENTS (35) - HYDRAULIC SYSTEMS
35.106.ad (02)
38
11
20
41
12
17
29
18
26
21
10
4
16
37
3
6
35
39
23
22
28
24
34
33
32
9
30
31
15
36
2
8
5
14
27
1
7
13
40
25
19
FIT
1:1
100%

Артикул

Название

Примечание

Количество

1

KRJ35041

HYDRAULIC PUMP

ASSY, Incl 2 - 40

1шт.

See also Figure 35.106.AD (01), 35.106.AD (02), 35.106.AD (04), 35.357.AC (01)

1шт.

2

LE024770

O-RING

2шт.

3

LB017130

NEEDLE

2шт.

4

LJ022380

BLOCK

1шт.

5

LR023310

PLATE

2шт.

6

LR023320

PLATE

2шт.

7

LJ022370

PISTON

2шт.

8

LG00062

SPRING

9шт.

9

LB017140

BUSHING

2шт.

10

LR023300

PLATE

2шт.

11

160296A1

SET SCREW

2шт.

12

LA016780

NUT

2шт.

13

LJ022410

PISTON

2шт.

14

160115A1

STOP

2шт.

15

LE01177

O-RING

2шт.

16

LE025800

RING

2шт.

17

LA016470

PIN

4шт.

18

TK00180

PLUG

4шт.

19

LE013440

O-RING

4шт.

20

NSS

NOT SOLD SEPARAT

Case, Incl in 1

1шт.

21

LK00015

PLUG

2шт.

22

LE013410

O-RING

14шт.

23

LK006340

PLUG

18шт.

24

LW007260

BODY

1шт.

25

LW007280

COVER

2шт.

26

LA016770

NUT

2шт.

27

160295A1

SET SCREW

2шт.

28

LS005360

SUPPORT

2шт.

29

LA016810

BOLT

4шт.

30

LA00569

DOWEL

2шт.

31

LA016820

RING

3шт.

32

LH007430

SPACER

3шт.

33

LB00645

BEARING, ROLLER, CYL

2шт.

34

LE018730

OIL SEAL

1шт.

35

LE015120

O-RING

1шт.

36

LW007250

COVER

1шт.

37

LB017100

DRIVE SHAFT

1шт.

38

LA016790

BOLT

4шт.

39

LC003890

GEAR

1шт.

40

160116A1

STOP

1шт.

41

154553A1

O-RING

1шт.

Выбрано товаров: 42