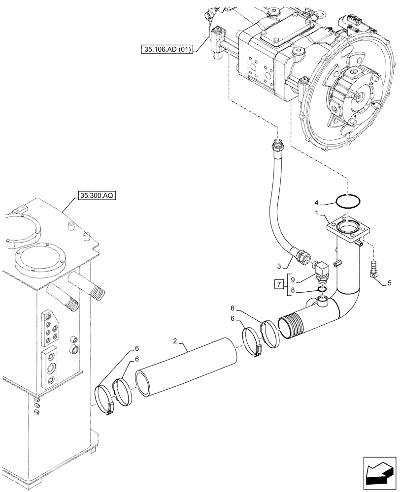
Запчасти Case CX210D NLC (35.106.AO[03]) - VARIABLE DELIVERY HYDRAULIC PUMP, SUCTION PIPE (35) - HYDRAULIC SYSTEMS

Схема запчастей Case CX210D NLC - (35.106.AO[03]) - VARIABLE DELIVERY HYDRAULIC PUMP, SUCTION PIPE (35) - HYDRAULIC SYSTEMS
35.106.ad (01)
8
1
6
9
3
5
6
6
6
2
4
7
35.300.aq
FIT
1:1
100%

Артикул

Название

Примечание

Количество

1

KRJ37430

PIPE

1шт.

2

KHJ34130

HOSE

550mm

1шт.

3

KBJ15710

HYDRAULIC HOSE

19mm ID x 510mm

1шт.

4

KRJ1747

O-RING

1шт.

5

862-12030

HEX SOC SCREW,M12 x 30mm, Cl 12.9

M12 x 30mm

4шт.

6

KHJ32620

CLIP

4шт.

7

157580A1

ELBOW,90 Degree, 3/4" O-Ring x 3/4"

ASSY, G3/4" x G3/4", Incl 8, 9

1шт.

8

150542A1

O-RING

1шт.

9

NSS

NOT SOLD SEPARAT

90° Fitting, Incl in 7

1шт.

Выбрано товаров: 9