Запчасти Case CX210D NLC (35.360.AF[03]) - VAR - 461863 - HYDRAULIC LINE, CLAMSHELL BUCKET, ROTATION, W/ ELECTRICAL PROPORTIONAL CONTROL (35) - HYDRAULIC SYSTEMS

Схема запчастей Case CX210D NLC - (35.360.AF[03]) - VAR - 461863 - HYDRAULIC LINE, CLAMSHELL BUCKET, ROTATION, W/ ELECTRICAL PROPORTIONAL CONTROL (35) - HYDRAULIC SYSTEMS
35.355.ap
3
6
2
8
7
5
4
4
1
35.360.ag 01
FIT
1:1
100%

Артикул

Название

Примечание

Количество

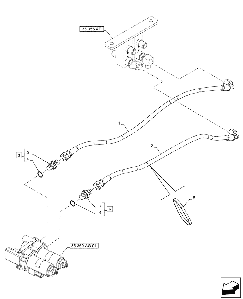
1

KHJ2089

HOSE,6.3 mm ID x 900.00 mm

6mm ID x 900mm, from Manifold Hidraulic Valve to Solenoid Valve

1шт.

2

KHJ2088

HOSE

6mm ID x 850mm, from Manifold Hidraulic Valve to Solenoid Valve

1шт.

3

161841A1

HYD CONNECTOR

ASSY, G1/4" x G1/4", Incl 4(Qty 1), 5

1шт.

4

150960A1

O-RING,10.8mm ID x 2.4mm Width

2шт.

5

NSS

NOT SOLD SEPARAT

Fitting, Incl in 3

1шт.

6

152127A1

HYD CONNECTOR,1/4" NPT O-Ring x 1/4" NPT

ASSY, G1/4" x G1/4", Incl 4(Qty 1), 7

1шт.

7

NSS

NOT SOLD SEPARAT

Fitting, Incl in 6

1шт.

8

150496A1

MOUNTING CLIP

250mm

1шт.

Выбрано товаров: 8