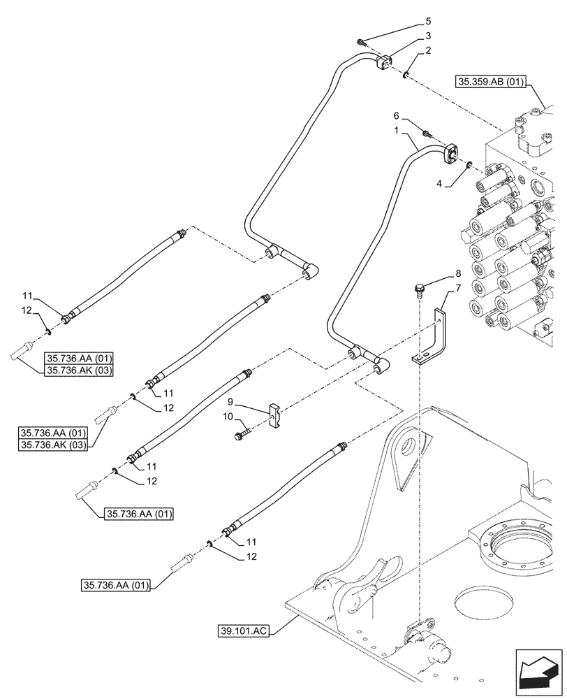
Запчасти Case CX210D NLC (35.736.AC) - LIFT CYLINDER, BOOM, LINE (35) - HYDRAULIC SYSTEMS

Схема запчастей Case CX210D NLC - (35.736.AC) - LIFT CYLINDER, BOOM, LINE (35) - HYDRAULIC SYSTEMS
3
11
35.736.ak (03)
35.736.aa (01)
12
11
35.736.aa (01)
7
5
4
12
35.736.aa (01)
35.736.aa (01)
11
6
10
39.101.ac
35.359.ab (01)
8
12
9
1
35.736.ak (03)
12
11
2
FIT
1:1
100%

Артикул

Название

Примечание

Количество

1

KRJ37480

PIPE

1шт.

2

161097A1

O-RING

1шт.

3

KRJ37470

PIPE

1шт.

4

162246A1

O-RING

1шт.

5

862-10030

HEX SOC SCREW,M10 x 30mm, Cl 12.9

4шт.

6

862-10035

HEX SOC SCREW,M10 x 35mm, Cl 12.9

4шт.

7

KRJ10900

SUPPORT

1шт.

8

166352A1

BOLT

M12 x 30mm

2шт.

9

152085A1

COLLAR

1шт.

10

167183A1

BOLT,Sems, M12 x 60mm, Cl 10.9

1шт.

11

KRJ11331

HYDRAULIC HOSE

4шт.

12

KHJ1360

O-RING,0.07" Thk x 0.739" ID

4шт.

Выбрано товаров: 12