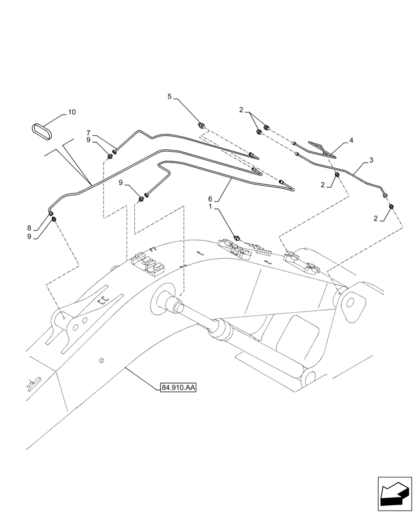
Запчасти Case CX210D NLC (71.460.AF) - LUBRICATION LINE (71) - LUBRICATION SYSTEM

Схема запчастей Case CX210D NLC - (71.460.AF) - LUBRICATION LINE (71) - LUBRICATION SYSTEM
1
84.910.aa
2
9
3
6
7
10
9
8
2
4
9
5
2
FIT
1:1
100%

Артикул

Название

Примечание

Количество

1

153630A1

LUBE NIPPLE

5шт.

2

152599A1

MULTIPOLE CONNECTOR

4шт.

3

KRV19270

HYD TUBE,6 mm ID x 8 mm OD

1шт.

4

KRV19280

HYD TUBE,6 mm ID x 8 mm OD

1шт.

5

KRJ4050

ADAPTER

3шт.

6

KHJ2068

HOSE

6 x 2250mm

1шт.

7

KHJ2069

HOSE

6 x 2300mm

1шт.

8

KHJ2174

HOSE

6 x 3100mm

1шт.

9

153603A1

ADAPTER

3шт.

10

150067A1

MOUNTING CLIP

150mm

7шт.

Выбрано товаров: 10