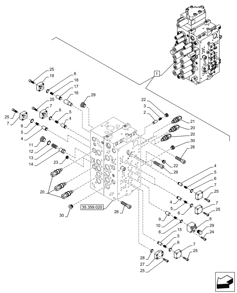
Запчасти Case CX245D (35.359.050) - CONTROL VALVE, COMPONENTS (35) - HYDRAULIC SYSTEMS

Схема запчастей Case CX245D - (35.359.050) - CONTROL VALVE, COMPONENTS (35) - HYDRAULIC SYSTEMS
35.359.020
5
20
20
6
25
21
29
4
26
6
23
6
25
5
7
26
18
4
13
10
19
30
7
6
25
30
4
29
6
15
5
24
2
3
7
25
1
22
5
12
5
20
28
4
17
8
26
6
7
9
25
22
16
11
6
14
27
7
25
25
FIT
1:1
100%

Артикул

Название

Примечание

Количество

1

KRJ43900

ASSY, Incl 2 - 30

CONTROL VALVE

1шт.

See also Figure 35.359.020, 35.359.030, 35.359.040, 35.359.060

1шт.

2

LJ00976

POPPET

2шт.

3

LG00417

COMPRESSION SPRING

2шт.

4

LJ00727

VALVE POPPET

7шт.

5

LG00341

SPRING

8шт.

6

LE027240

O-RING

8шт.

7

LH00248

CAP

6шт.

8

LH005410

FLANGE

1шт.

9

LJ016050

VALVE POPPET

1шт.

10

LG006510

SPRING

1шт.

11

155464A1

PLUG

1шт.

12

LE027180

O-RING

1шт.

13

156026A1

SPRING

1шт.

14

LJ014680

VALVE POPPET

1шт.

15

LJ00730

VALVE POPPET

1шт.

16

LH007450

SLEEVE

1шт.

17

LJ022710

POPPET

1шт.

18

LG008320

SPRING

1шт.

19

LK007820

FLANGE

1шт.

20

LJ00734

HYDRAULIC VALVE

39.2MPa x 2L/Min

5шт.

21

LJ024400

VALVE PRESSURE RELIE

1шт.

22

163370A1

PLUG

5шт.

23

163369A1

PLUG

4шт.

24

LA017920

BOLT

12шт.

25

LA017930

BOLT

40шт.

26

LA017940

BOLT

10шт.

27

LR00579

PLUG

2шт.

28

LE027210

O-RING

2шт.

29

LK00302

PLUG

2шт.

30

165839A1

PLUG

2шт.

Выбрано товаров: 31