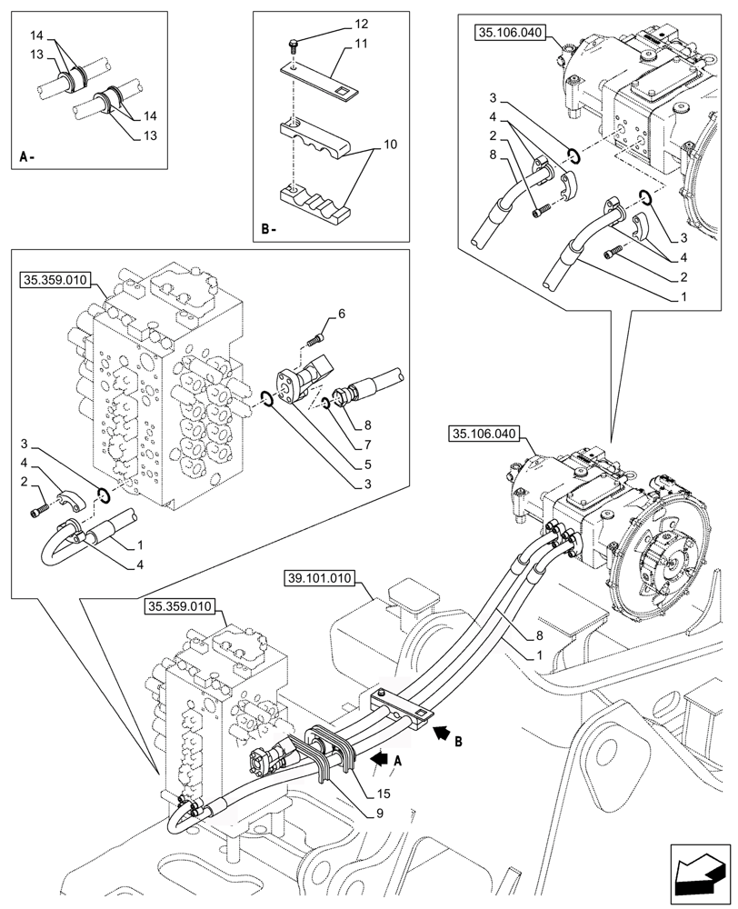
Запчасти Case CX245D (35.106.020) - VARIABLE DELIVERY HYDRAULIC PUMP, PRESSURE PIPE (35) - HYDRAULIC SYSTEMS

Схема запчастей Case CX245D - (35.106.020) - VARIABLE DELIVERY HYDRAULIC PUMP, PRESSURE PIPE (35) - HYDRAULIC SYSTEMS
35.359.010
2
1
13
1
3
4
6
14
2
8
11
9
15
4
7
8
14
8
4
10
5
3
4
12
1
2
13
3
3
39.101.010
35.106.040
35.359.010
35.106.040
FIT
1:1
100%

Артикул

Название

Примечание

Количество

1

KRJ38881

TUBE

22mm ID x 1840mm, From Hydraulic Pump to Control Valve

1шт.

2

862-12040

HEX SOC SCREW,M12 x 40mm, Cl 12.9

M12 x 40mm

4шт.

3

155211A1

O-RING

1шт.

4

150561A1

FLANGE

2шт.

5

KRJ42250

TUBE

From Hydraulic Pump to Control Valve

1шт.

6

862-12035

HEX SOC SCREW,M12 x 35mm, Cl 12.9

M12 x 35mm

4шт.

7

KHJ1361

O-RING,0.07" Thk x 0.926" ID

1шт.

8

KRJ41090

HYDRAULIC HOSE

22mm ID x 1400mm, From Hydraulic Pump to Control Valve

1шт.

9

151010A1

CUSHION

19mm ID x 320mm

1шт.

10

KRJ31000

HOSE CLAMP

2шт.

11

KRJ28280

PLATE

1шт.

12

166347A1

BOLT,Sems, M10 x 30mm

1шт.

13

KHJ2680

COLLAR CLAMP

2шт.

14

150496A1

MOUNTING CLIP

250mm

4шт.

15

164686A1

GROMMET

L=300mm

1шт.

Выбрано товаров: 15