Запчасти Case CX245D SR LC (35.359.080) - VAR - 461863 - CONTROL VALVE, COMPONENTS (35) - HYDRAULIC SYSTEMS

Схема запчастей Case CX245D SR LC - (35.359.080) - VAR - 461863 - CONTROL VALVE, COMPONENTS (35) - HYDRAULIC SYSTEMS
4
8
9
4
8
11
4
3
8
5
5
2
3
8
7
5
6
10
5
8
5
8
2
5
5
1
4
6
9
8
8
8
8
5
7
5
4
2
5
FIT
1:1
100%

Артикул

Название

Примечание

Количество

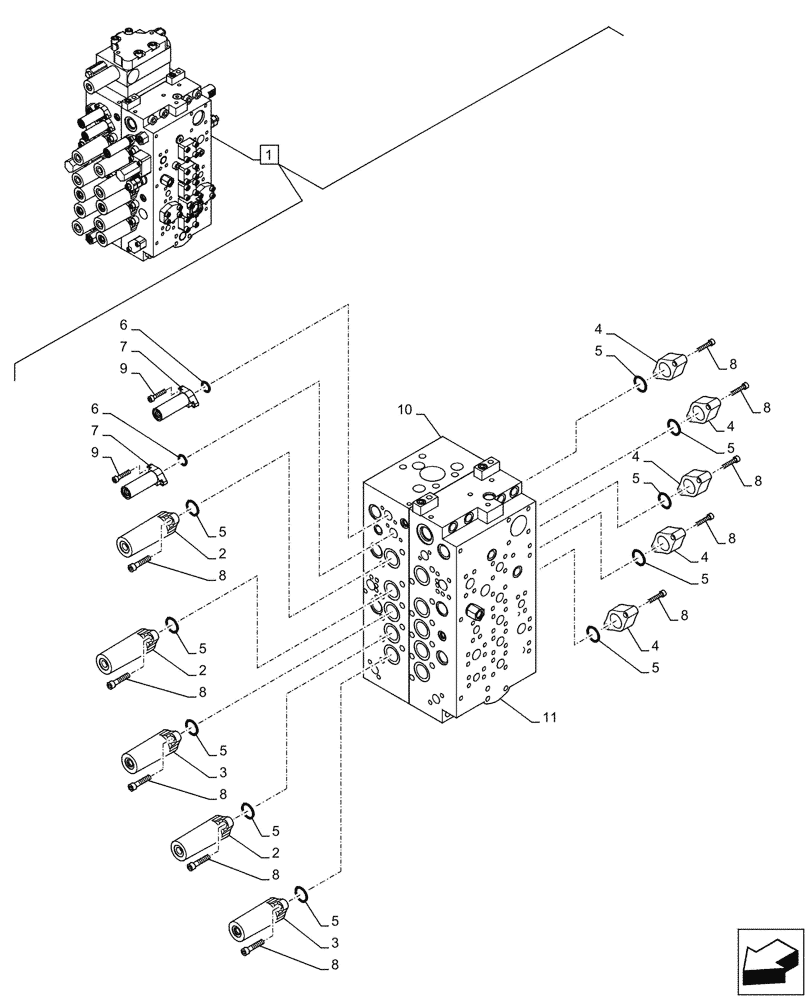
1

KRJ43900

ASSY, Incl 2 - 11

CONTROL VALVE

1шт.

See also Figure 35.359.090, 35.359.100, 35.359.110, 35.359.120

1шт.

2

LR023640

CAP

6шт.

3

LR023650

CAP

4шт.

4

LR023660

CAP

10шт.

5

LE026800

O-RING

20шт.

6

LE014890

O-RING,3.53mm Thk x 25.7mm ID, Cl 6

4шт.

7

LR018610

CAP

3шт.

8

160287A1

BOLT,Hex Skt

40шт.

9

LUC0118

BOLT,Hex Skt Hd

8шт.

10

NSS

NOT SOLD SEPARAT

Body, Incl in 1

1шт.

11

NSS

NOT SOLD SEPARAT

Body, Incl in 1

1шт.

Выбрано товаров: 12