Запчасти Case CX245D SR LC (35.359.120) - VAR - 461863 - CONTROL VALVE, COMPONENTS (35) - HYDRAULIC SYSTEMS

Схема запчастей Case CX245D SR LC - (35.359.120) - VAR - 461863 - CONTROL VALVE, COMPONENTS (35) - HYDRAULIC SYSTEMS
35.359.080
8
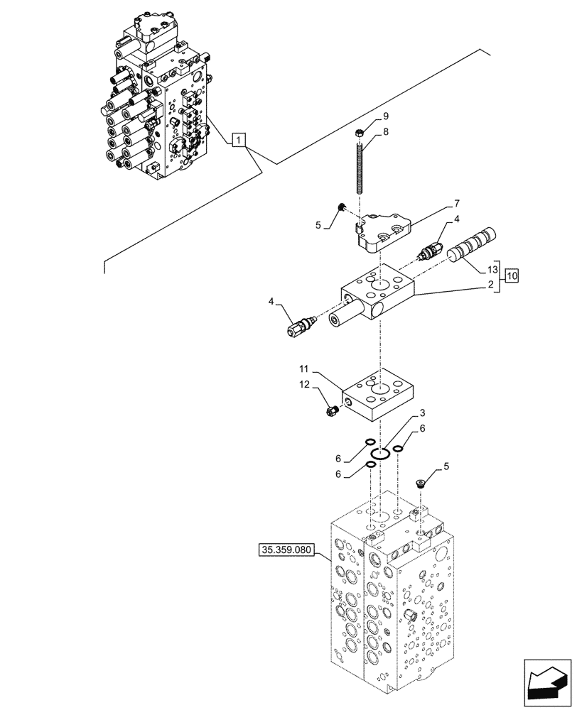
1
12
13
4
3
7
4
10
6
9
5
5
6
2
6
11
FIT
1:1
100%

Артикул

Название

Примечание

Количество

1

KRJ43900

ASSY, Incl 2 - 13

CONTROL VALVE

1шт.

See also Figure 35.359.080, 35.359.090, 35.359.100, 35.359.110

1шт.

2

NSS

NOT SOLD SEPARAT

Body, Incl in 10

1шт.

3

LE027200

O-RING

1шт.

4

LJ014750

CHECK VALVE

2шт.

5

163369A1

PLUG

4шт.

6

LE012520

O-RING

3шт.

7

LT001660

END PLATE

1шт.

8

LB011900

TIE-ROD

4шт.

9

LUC0094

SPECIAL NUT

4шт.

10

LJ014760

HYD VALVE SECTION

ASSY, Incl 2, 13

1шт.

11

LJ014770

CONNECTING BLOCK

1шт.

12

LJ019010

VALVE PRESSURE RELIE

1шт.

13

NSS

NOT SOLD SEPARAT

Valve section, Incl in 10

1шт.

Выбрано товаров: 14