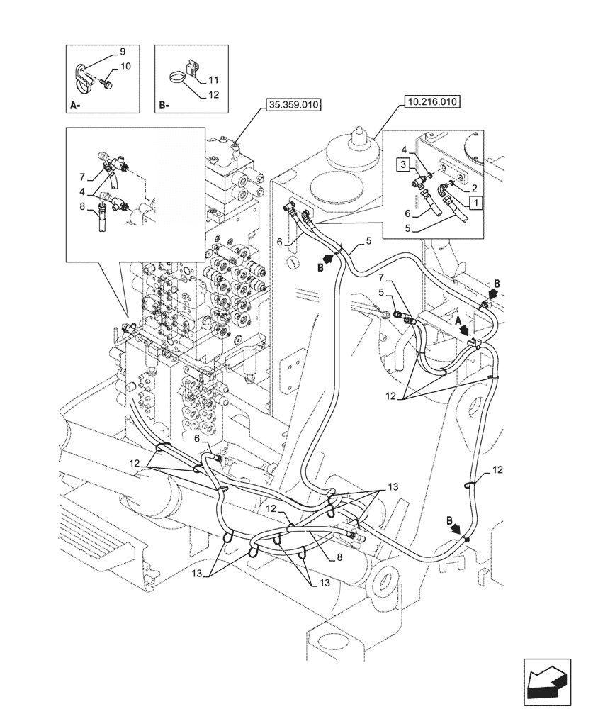
Запчасти Case CX245D SR LC (35.736.100) - VAR - 481064 - JOYSTICK, HYDRAULIC LINE, CONTROL VALVE (35) - HYDRAULIC SYSTEMS

Схема запчастей Case CX245D SR LC - (35.736.100) - VAR - 481064 - JOYSTICK, HYDRAULIC LINE, CONTROL VALVE (35) - HYDRAULIC SYSTEMS
35.359.010
4
11
12
7
10
13
6
12
12
6
9
6
8
8
13
3
5
7
12
1
5
4
5
2
13
12
10.216.010
FIT
1:1
100%

Артикул

Название

Примечание

Количество

1

KHJ28710

ELBOW

ASSY, G1/4" x G3/8" Incl 2 (Qty 1)

1шт.

2

154467A1

O-RING,10.8mm ID x 2.4mm Width

2шт.

3

KHJ11560

TEE

ASSY,, G1/4" x G3/8" x G1/4" Incl 2 (Qty 1)

1шт.

4

KHJ31880

TEE

3-G3/8"

2шт.

5

KHJ37930

HYDRAULIC HOSE

L=2000mm

1шт.

6

KHJ20720

HYDRAULIC HOSE

3000mm

1шт.

7

KHJ22110

HYDRAULIC HOSE

9mm ID x 3700mm

1шт.

8

KHJ16330

HYDRAULIC HOSE

2900mm

1шт.

9

KHR2581

CLAMP

M8

1шт.

10

KHJ1215

BOLT,Spcl

M8 x 25mm

1шт.

11

KHR10220

MOUNTING CLIP

3шт.

12

150496A1

MOUNTING CLIP

250mm

6шт.

13

150071A1

MOUNTING CLIP

380mm

7шт.

Выбрано товаров: 13