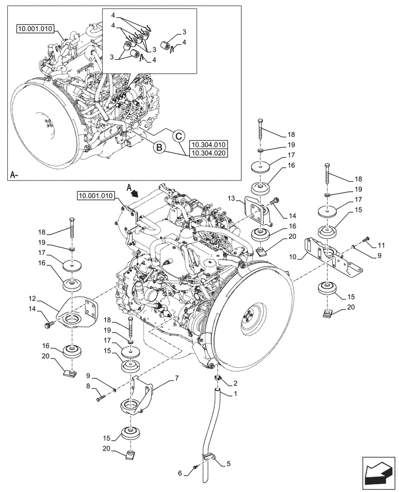
Запчасти Case CX245D SR LC (10.001.020) - STD + VAR - 488034 - ENGINE, SUPPORT (10) - ENGINE

Схема запчастей Case CX245D SR LC - (10.001.020) - STD + VAR - 488034 - ENGINE, SUPPORT (10) - ENGINE
10.304.020
20
18
1
17
11
19
3
15
4
18
19
9
16
14
4
4
15
19
14
15
10
19
9
18
20
2
16
17
13
18
6
4
15
17
8
3
7
16
20
20
5
12
3
16
17
10.304.010
10.001.010
10.001.010
FIT
1:1
100%

Артикул

Название

Примечание

Количество

1

KHH21440

L=650mm

HOSE

1шт.

2

KHH20530

HOSE CLAMP

1шт.

3

KHH14570

CAP

6шт.

4

KHH14600

LOCK PIN

6шт.

5

KHR2581

CLAMP

M8

1шт.

6

KHJ1215

BOLT,Spcl

M8 x 25mm

1шт.

7

KRH14440

ENGINE MOUNT

1шт.

8

827-10055

BOLT,Hex, M10 x 1.5 x 55mm, Cl 10.9

M10 x 55mm

4шт.

9

150409A1

WASHER

M12

9шт.

10

KRH14930

ENGINE MOUNT

1шт.

11

827-10040

BOLT,Hex, M10 x 1.5 x 40mm, Cl 10.9, Full Thd

M10 x 40mm

5шт.

12

KRH14450

ENGINE MOUNT

1шт.

13

KRH14470

ENGINE MOUNT

1шт.

14

165929A1

BOLT,Sems, M16

M16 x 50mm

8шт.

15

KRH15050

SILENTBLOC

Fan

4шт.

16

KRH15040

SILENTBLOC

Pump

4шт.

17

KRH14000

PLATE

4шт.

18

827-16130

BOLT,Hex, M16 x 2 x 130mm, Cl 10.9

M16 x 130mm

4шт.

19

150814A1

WASHER,17mm ID x 32mm OD x 4.5mm Thk

4шт.

20

KHH14230

NUT

M16

4шт.

Выбрано товаров: 0