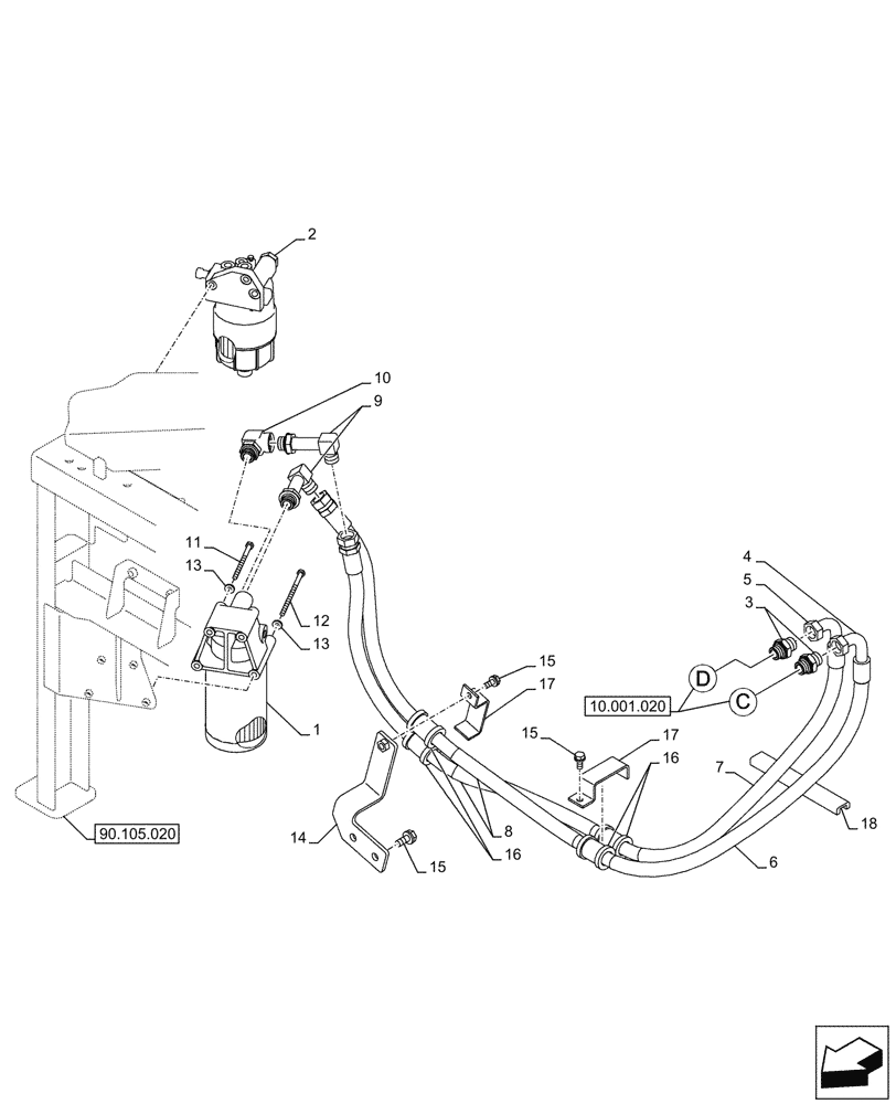
Запчасти Case CX245D SR LC (10.304.010) - ENGINE OIL FILTER, LINES (10) - ENGINE

Схема запчастей Case CX245D SR LC - (10.304.010) - ENGINE OIL FILTER, LINES (10) - ENGINE
10.001.020
13
10
17
18
1
15
5
16
8
14
3
16
4
9
15
17
7
12
6
2
15
13
11
90.105.020
FIT
1:1
100%

Артикул

Название

Примечание

Количество

1

48003486

ENGINE OIL FILTER

1шт.

2

84545029

FILTER ASSY

1шт.

3

KHH14620

ADAPTER

G3/4" x G3/4"

2шт.

4

KRH21100

HYDRAULIC HOSE

1шт.

5

KRH14130

HYDRAULIC HOSE

L=1850mm

1шт.

6

KHR21080

PLASTIC-RUBBER TUBE

28mm ID

1шт.

7

157864A1

PLASTIC-RUBBER TUBE

28mm ID x 600mm

1шт.

8

166123A1

PLASTIC-RUBBER TUBE

28mm ID x 300mm

2шт.

9

KHH14690

ELBOW

G3/4"

2шт.

10

KHH17590

ELBOW UNION

G3/4" x G3/4"

1шт.

11

102R008Y110R

BOLT

M8 x 110mm

2шт.

12

KHH0515

BOLT

M8 x 140mm

2шт.

13

153081A1

WASHER

4шт.

14

KRH21300

BRACKET

1шт.

15

166052A1

BOLT

M10 x 25mm

4шт.

16

KHJ2023

HOSE CLAMP

4шт.

17

KHH13550

BRACKET

2шт.

18

HKJ0041

CUSHION

L=240mm

1шт.

Выбрано товаров: 18