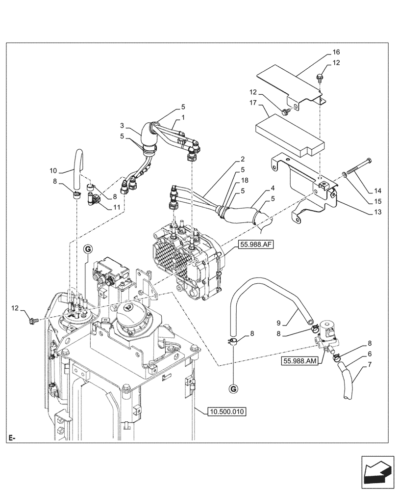
Запчасти Case CX245D SR LC (10.500.050) - DEF/ADBLUE™ LINES (10) - ENGINE

Схема запчастей Case CX245D SR LC - (10.500.050) - DEF/ADBLUE™ LINES (10) - ENGINE
55.988.am
1
8
16
14
8
2
4
9
3
5
18
12
8
10
11
15
5
6
12
12
8
7
8
5
5
17
13
5
55.988.af
10.500.010
FIT
1:1
100%

Артикул

Название

Примечание

Количество

1

KRH21020

PIPE

From Tank Urea to Electronic Control Unit

1шт.

2

KRH21030

PIPE

From Tank Urea to Electronic Control Unit

1шт.

3

KHH17960

INSULATION

185mm ID x 130mm

1шт.

4

KHH21380

INSULATION

160mm ID x 650mm

1шт.

5

150496A1

MOUNTING CLIP

250mm

1шт.

6

KHH21330

HOSE

L=3000mm, From Tank Urea to Muffler

1шт.

7

KHR3247

PLASTIC-RUBBER TUBE

19mm ID x 2900mm, From Tank Urea to Muffler

1шт.

8

KHH16800

BAND

5шт.

9

KRH21660

HOSE

1шт.

10

KRH21670

HOSE

1шт.

11

KHH15490

ELBOW

1шт.

12

166350A1

BOLT

M8 x 20mm

5шт.

13

KRH21470

COVER

1шт.

14

102R008Y090R

BOLT

M8 x 90mm

3шт.

15

895-11008

WASHER,9mm ID x 16mm OD x 1.6mm Thk

3шт.

16

KRH21480

BRACKET

1шт.

17

KRH21690

SEAL

1шт.

18

KHR10220

MOUNTING CLIP

1шт.

Выбрано товаров: 18