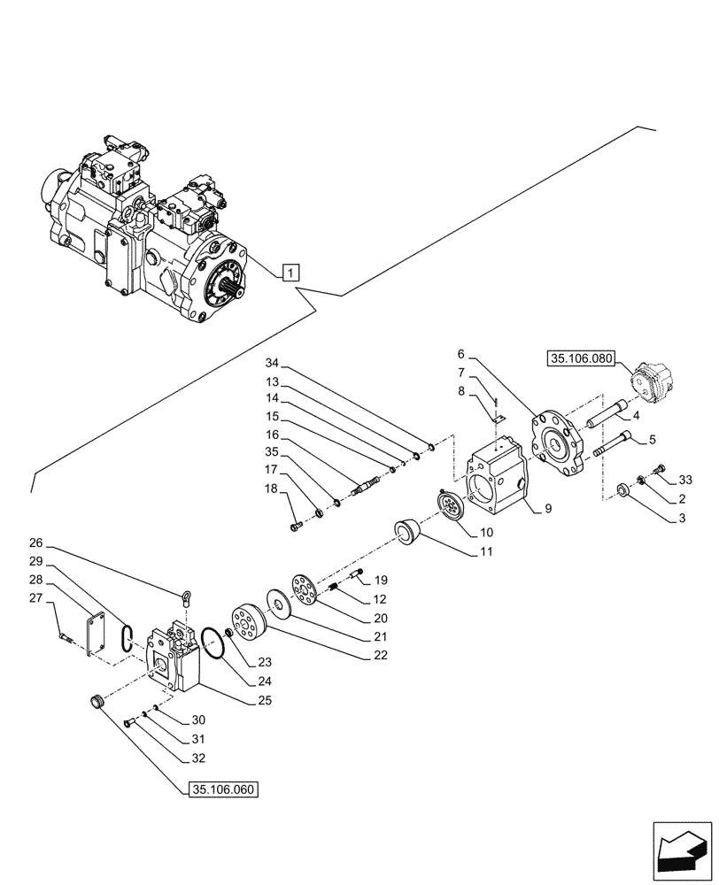
Запчасти Case CX245D SR LC (35.106.050) - VARIABLE DELIVERY HYDRAULIC PUMP, COMPONENTS (35) - HYDRAULIC SYSTEMS

Схема запчастей Case CX245D SR LC - (35.106.050) - VARIABLE DELIVERY HYDRAULIC PUMP, COMPONENTS (35) - HYDRAULIC SYSTEMS
35.106.080
22
21
33
19
35
27
29
12
5
20
14
1
25
8
4
11
32
18
7
10
2
9
16
3
30
31
28
23
34
24
6
15
26
13
17
35.106.060
FIT
1:1
100%

Артикул

Название

Примечание

Количество

1

KRJ35041

HYDRAULIC PUMP

ASSY, Incl 2 - 35

1шт.

See also Figure 35.106.050, 35.106.060, 35.106.070

1шт.

2

LA016770

NUT

1шт.

3

LW007280

COVER

1шт.

4

LB017110

DRIVE SHAFT

1шт.

5

167078A1

BOLT,M8 x 40mm, Cl 12.9

4шт.

6

LW007270

BODY

1шт.

7

LA00027

RIVET

2шт.

8

NSS

NOT SOLD SEPARAT

Nameplate, Incl in 1

1шт.

9

NSS

NOT SOLD SEPARAT

BODY Case, Incl in 1

1шт.

10

LR023300

PLATE

1шт.

11

LB017140

BUSHING

1шт.

12

LG00062

SPRING

18шт.

13

LE025810

RING

2шт.

14

154553A1

O-RING

1шт.

15

160115A1

STOP

1шт.

16

LJ022410

PISTON

1шт.

17

LA016780

NUT

1шт.

18

160296A1

SET SCREW

1шт.

19

LJ022370

PISTON

1шт.

20

LR023320

PLATE

1шт.

21

LR023310

PLATE

1шт.

22

LJ022390

BLOCK

1шт.

23

LB00645

BEARING, ROLLER, CYL

1шт.

24

LE024770

O-RING

1шт.

25

LJ022420

BLOCK

1шт.

26

LA016830

EYEBOLT

2шт.

27

LA016800

BOLT

4шт.

28

LW005710

COVER

1шт.

29

LE013510

O-RING

1шт.

30

LE022170

SEAL

10шт.

31

LE013410

O-RING

7шт.

32

LJ022400

VALVE

4шт.

33

160295A1

SET SCREW

1шт.

34

160116A1

STOP

1шт.

35

LE01177

O-RING

1шт.

Выбрано товаров: 36