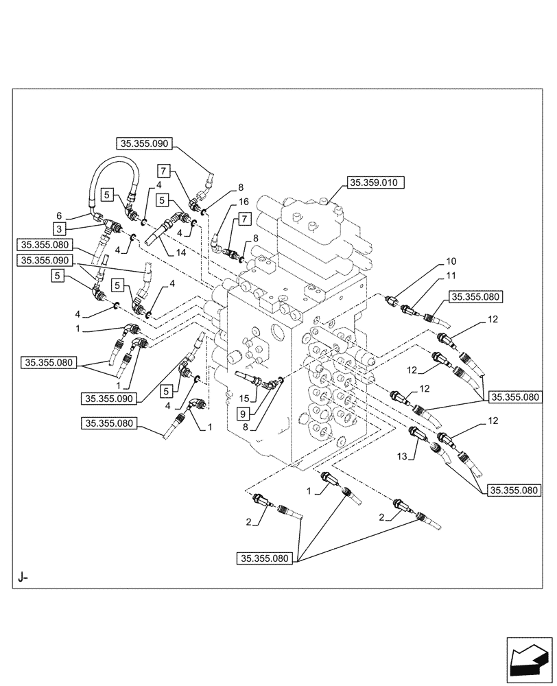
Запчасти Case CX245D SR LC (35.355.100) - JOYSTICK, HYDRAULIC LINE, CONTROL VALVE (35) - HYDRAULIC SYSTEMS

Схема запчастей Case CX245D SR LC - (35.355.100) - JOYSTICK, HYDRAULIC LINE, CONTROL VALVE (35) - HYDRAULIC SYSTEMS
35.355.080
4
1
5
5
8
12
12
10
11
2
1
7
7
12
13
4
4
1
5
6
9
3
1
8
5
4
14
16
4
2
12
4
8
15
5
35.359.010
35.355.090
35.355.090
35.355.090
35.355.080
35.355.080
35.355.080
35.355.080
35.355.080
35.355.080
FIT
1:1
100%

Артикул

Название

Примечание

Количество

1

KHJ38250

ELBOW

G3/8" x 1/4"

3шт.

2

KHJ38280

ELBOW

G3/8" x 1/4"

2шт.

3

KHJ13900

TEE

ASSY, G3/8" x G1/4" x G3/8", Incl 4 (Qty 1)

1шт.

4

154475A1

O-RING

5шт.

5

KHJ28590

ELBOW

ASSY, G3/8" x G3/8", Incl 4 (Qty 1)

5шт.

6

KHJ2342

HOSE

6mm ID x 380mm

1шт.

7

KHJ28580

ELBOW

ASSY, G1/4" x G1/4", Incl 8 (Qty 1)

2шт.

8

154467A1

O-RING,10.8mm ID x 2.4mm Width

3шт.

9

KHJ28630

ELBOW

ASSY, G1/4" x G1/4", Incl 8 (Qty 1)

1шт.

10

KHJ36210

STUD

G1/4"

1шт.

11

KHJ38260

ELBOW

G1/4" x 1/4"

1шт.

12

KHJ38270

ELBOW

G3/8" x 3/8"

4шт.

13

KHJ38240

ELBOW

G3/8" x 3/8"

1шт.

14

KHJ38040

HYDRAULIC HOSE

1шт.

15

KHJ2044

HOSE,6.3mm ID x 350mm L

1шт.

16

KHJ11180

HYDRAULIC HOSE,6.35 mm ID x 430.00 mm

1шт.

Выбрано товаров: 16