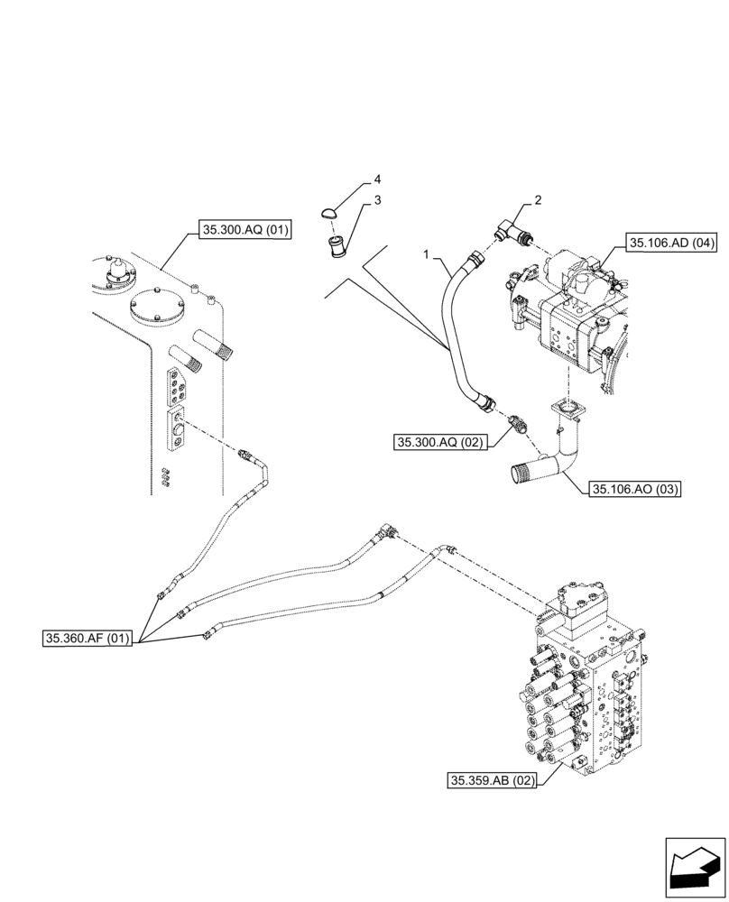
Запчасти Case CX250D LC (35.106.AO[04]) - VAR - 461863 - VARIABLE DELIVERY HYDRAULIC PUMP, LINES, CLAMSHELL BUCKET, ROTATION, W/ ELECTRICAL PROPORTIONAL CONTROL (35) - HYDRAULIC SYSTEMS

Схема запчастей Case CX250D LC - (35.106.AO[04]) - VAR - 461863 - VARIABLE DELIVERY HYDRAULIC PUMP, LINES, CLAMSHELL BUCKET, ROTATION, W/ ELECTRICAL PROPORTIONAL CONTROL (35) - HYDRAULIC SYSTEMS
35.106.ao (03)
35.300.aq (02)
35.106.ad (04)
3
35.300.aq (01)
4
2
1
35.360.af (01)
35.359.ab (02)
FIT
1:1
100%

Артикул

Название

Примечание

Количество

1

KUJ10310

HYDRAULIC HOSE,25.40 mm ID x 670.00 mm

1шт.

2

KHJ24380

ELBOW

90° Fitting

1шт.

3

KHJ21550

HOSE CLAMP

1шт.

4

150496A1

MOUNTING CLIP

1шт.

Выбрано товаров: 4