Запчасти Case CX250D LC (35.357.AC[01]) - HYDRAULIC PUMP, PILOT (35) - HYDRAULIC SYSTEMS

Схема запчастей Case CX250D LC - (35.357.AC[01]) - HYDRAULIC PUMP, PILOT (35) - HYDRAULIC SYSTEMS
35.106.ad (01)
12
13
14
17
6
4
4
10
1
20
8
16
5
19
15
1
9
7
18
21
2
3
1
FIT
1:1
100%

Артикул

Название

Примечание

Количество

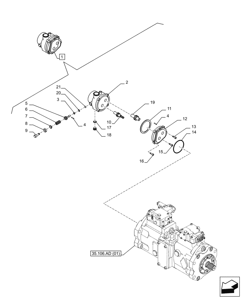
1

LJ022360

HYDRAULIC PUMP

ASSY, Incl 2 - 21

1шт.

See also figure 35.106.AD (01), 35.106.AD (02), 35.106.AD (03), 35.106.AD (04)

1шт.

2

NSS

NOT SOLD SEPARAT

Body, Incl in 1

1шт.

3

LE01175

RING

1шт.

4

LA016240

PIN

2шт.

5

LJ019210

POPPET

1шт.

6

LG00536

SPRING

1шт.

7

154483A1

O-RING

1шт.

8

163662A1

LOCK NUT

1шт.

9

LF00043

ADJUSTER

1шт.

10

NSS

NOT SOLD SEPARAT

Shaft, Incl in 1

1шт.

11

163667A1

SEALING RING

1шт.

12

NSS

NOT SOLD SEPARAT

Cover, Incl in 1

1шт.

13

LA016450

BOLT

1шт.

14

LE015120

O-RING

1шт.

15

LA00593

BOLT,Hex Skt, M8 x 50mm, Cl 12.9

2шт.

16

163666A1

FLANGE BOLT

4шт.

17

154467A1

O-RING,10.8mm ID x 2.4mm Width

1шт.

18

155496A1

PLUG

1шт.

19

NSS

NOT SOLD SEPARAT

Shaft, Incl in 1

1шт.

20

163663A1

FILTER

1шт.

21

163668A1

RING, LOCKING

1шт.

Выбрано товаров: 22