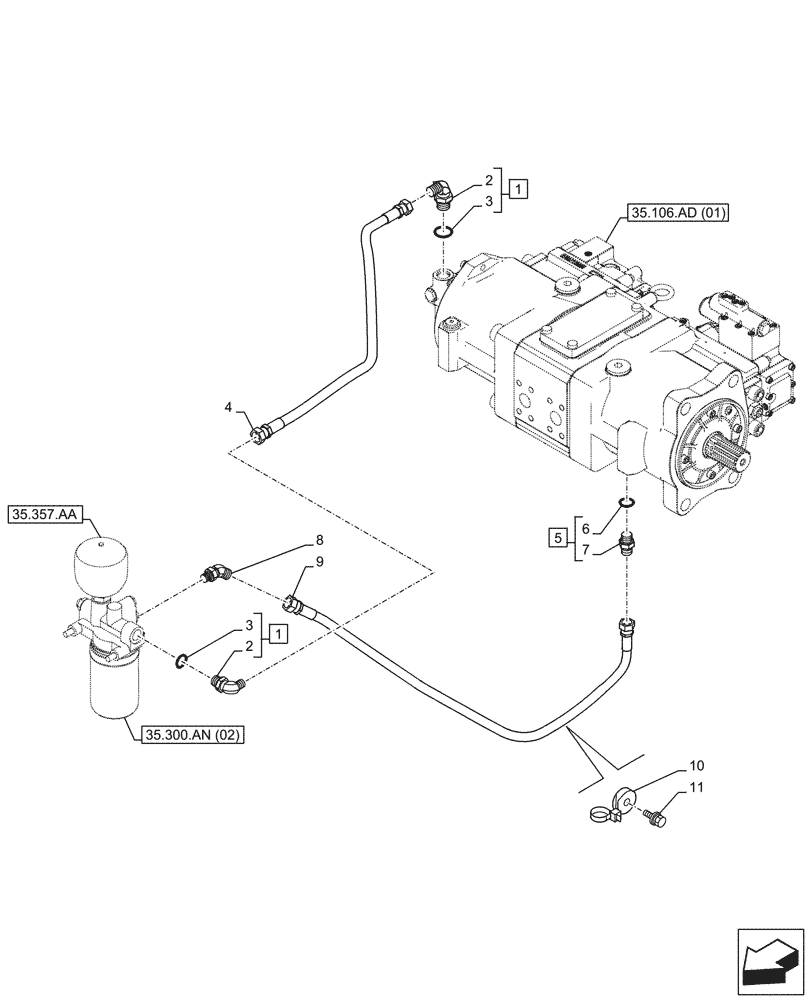
Запчасти Case CX250D LC (35.357.AD) - PILOT VALVE, OIL, LINE (35) - HYDRAULIC SYSTEMS

Схема запчастей Case CX250D LC - (35.357.AD) - PILOT VALVE, OIL, LINE (35) - HYDRAULIC SYSTEMS
35.357.aa
8
3
3
9
1
2
4
1
6
2
7
11
10
5
35.106.ad (01)
35.300.an (02)
FIT
1:1
100%

Артикул

Название

Примечание

Количество

1

KHJ29500

ELBOW

ASSY, Incl 2, 3

2шт.

2

NSS

NOT SOLD SEPARAT

Fitting, Incl in 1

2шт.

3

150539A1

O-RING

2шт.

4

KHJ2460

HYDRAULIC HOSE

1шт.

5

152128A1

HYD CONNECTOR,3/8" NPT O-Ring x 3/8" NPT

ASSY, Incl 6, 7

1шт.

6

150031A1

O-RING,10mm ID x 24mm OD

1шт.

7

NSS

NOT SOLD SEPARAT

Fitting, Incl in5

1шт.

8

KHJ28710

ELBOW

, Serial Range: -C0119

1шт.

8

KHJ28750

ELBOW

, Start Serial: D0119

1шт.

9

KHJ11520

HYDRAULIC HOSE,9.52 mm ID x 900.00 mm

, Serial Range: -C0119

1шт.

9

KHJ33810

HOSE

, Start Serial: D0119

1шт.

10

KHR2584

CLAMP

1шт.

11

KHJ2298

BOLT,Spcl

1шт.

Выбрано товаров: 13