Запчасти Case CX250D LC (35.357.AO[01]) - MAIN, SOLENOID VALVE, PRESSURE PIPE (35) - HYDRAULIC SYSTEMS

Схема запчастей Case CX250D LC - (35.357.AO[01]) - MAIN, SOLENOID VALVE, PRESSURE PIPE (35) - HYDRAULIC SYSTEMS
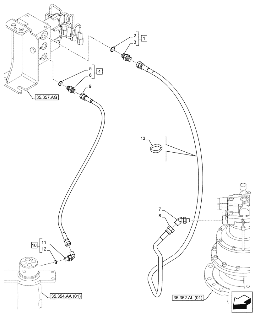
35.352.al (01)
10
4
13
1
12
11
9
6
2
8
3
7
5
35.354.aa (01)
35.357.ag
FIT
1:1
100%

Артикул

Название

Примечание

Количество

1

152128A1

HYD CONNECTOR,3/8" NPT O-Ring x 3/8" NPT

ASSY, Incl 2, 3

2шт.

2

154475A1

O-RING

1шт.

3

NSS

NOT SOLD SEPARAT

Fitting, Incl in 1

1шт.

4

152127A1

HYD CONNECTOR,1/4" NPT O-Ring x 1/4" NPT

ASSY, Incl 5, 6

1шт.

5

154467A1

O-RING,10.8mm ID x 2.4mm Width

1шт.

6

NSS

NOT SOLD SEPARAT

Fitting, Incl in 4

1шт.

7

KHJ28750

ELBOW

1шт.

8

KHJ2207

HOSE

1шт.

9

KHJ2071

HOSE

1шт.

10

KHJ28580

ELBOW

ASSY, Incl 11, 12

1шт.

11

NSS

NOT SOLD SEPARAT

Fitting, Incl in 10

1шт.

12

150960A1

O-RING,10.8mm ID x 2.4mm Width

1шт.

13

150496A1

MOUNTING CLIP

2шт.

Выбрано товаров: 13