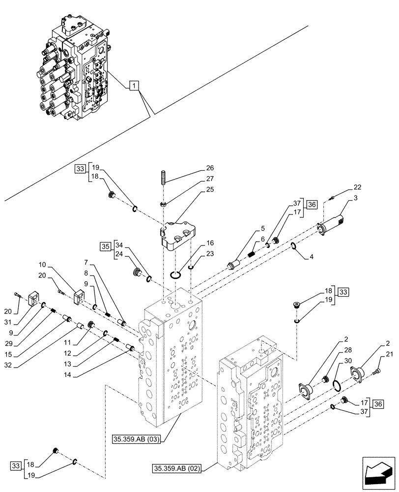
Запчасти Case CX250D LC (35.359.AB[04]) - CONTROL, VALVE, COMPONENTS (35) - HYDRAULIC SYSTEMS

Схема запчастей Case CX250D LC - (35.359.AB[04]) - CONTROL, VALVE, COMPONENTS (35) - HYDRAULIC SYSTEMS
35.359.ab (02)
9
18
11
37
21
37
13
10
27
15
17
25
19
20
16
32
2
9
4
33
5
18
30
36
35
23
14
26
31
8
17
28
12
19
29
6
36
33
2
18
1
19
24
22
3
34
7
20
33
35.359.ab (03)
FIT
1:1
100%

Артикул

Название

Примечание

Количество

1

KBJ18672

CONTROL VALVE

Grey, ASSY, Incl 2 - 37

1шт.

See also Figure 35.359.AB (01), 35.359.AB (02), 35.359.AB (03), 35.359.AY (01)

1шт.

2

LR023660

CAP

10шт.

3

LR023670

CAP

1шт.

4

LE014890

O-RING,3.53mm Thk x 25.7mm ID, Cl 6

1шт.

5

LJ00976

POPPET

1шт.

6

LG00417

COMPRESSION SPRING

1шт.

7

LJ00727

VALVE POPPET

2шт.

8

LG00341

SPRING

2шт.

9

LE027240

O-RING

2шт.

10

LH00248

CAP

2шт.

11

155464A1

PLUG

1шт.

12

LE027180

O-RING

1шт.

13

156026A1

SPRING

1шт.

14

LJ014680

VALVE POPPET

1шт.

15

LJ022710

POPPET

1шт.

16

LE027200

O-RING

1шт.

17

NSS

NOT SOLD SEPARAT

Plug, Incl in 36

2шт.

18

NSS

NOT SOLD SEPARAT

Plug, Incl in 33

3шт.

19

154475A1

O-RING

3шт.

20

LA017930

BOLT

12шт.

21

160287A1

BOLT,Hex Skt

20шт.

22

LUC0118

BOLT,Hex Skt Hd

2шт.

23

LE012520

O-RING

3шт.

24

165836A1

PLUG

1шт.

25

LT001660

END PLATE

1шт.

26

LB011890

TIE-ROD

4шт.

27

LUC0094

SPECIAL NUT

4шт.

28

LK007810

PLUG

1шт.

29

LG008320

SPRING

1шт.

30

LE026800

O-RING

14шт.

31

LK007820

FLANGE

1шт.

32

LH007450

SLEEVE

1шт.

33

163369A1

PLUG

ASSY, Incl 18, 19

3шт.

34

154503A1

O-RING

1шт.

35

LK00302

PLUG

ASSY, Incl 24, 34

1шт.

36

163370A1

PLUG

2шт.

37

154487A1

O-RING

2шт.

Выбрано товаров: 38