Запчасти Case CX250D LC (35.359.AY[02]) - VAR - 461863 - RELIEF VALVE, CLAMSHELL BUCKET, ROTATION, W/ ELECTRICAL PROPORTIONAL CONTROL, COMPONENTS (35) - HYDRAULIC SYSTEMS

Схема запчастей Case CX250D LC - (35.359.AY[02]) - VAR - 461863 - RELIEF VALVE, CLAMSHELL BUCKET, ROTATION, W/ ELECTRICAL PROPORTIONAL CONTROL, COMPONENTS (35) - HYDRAULIC SYSTEMS
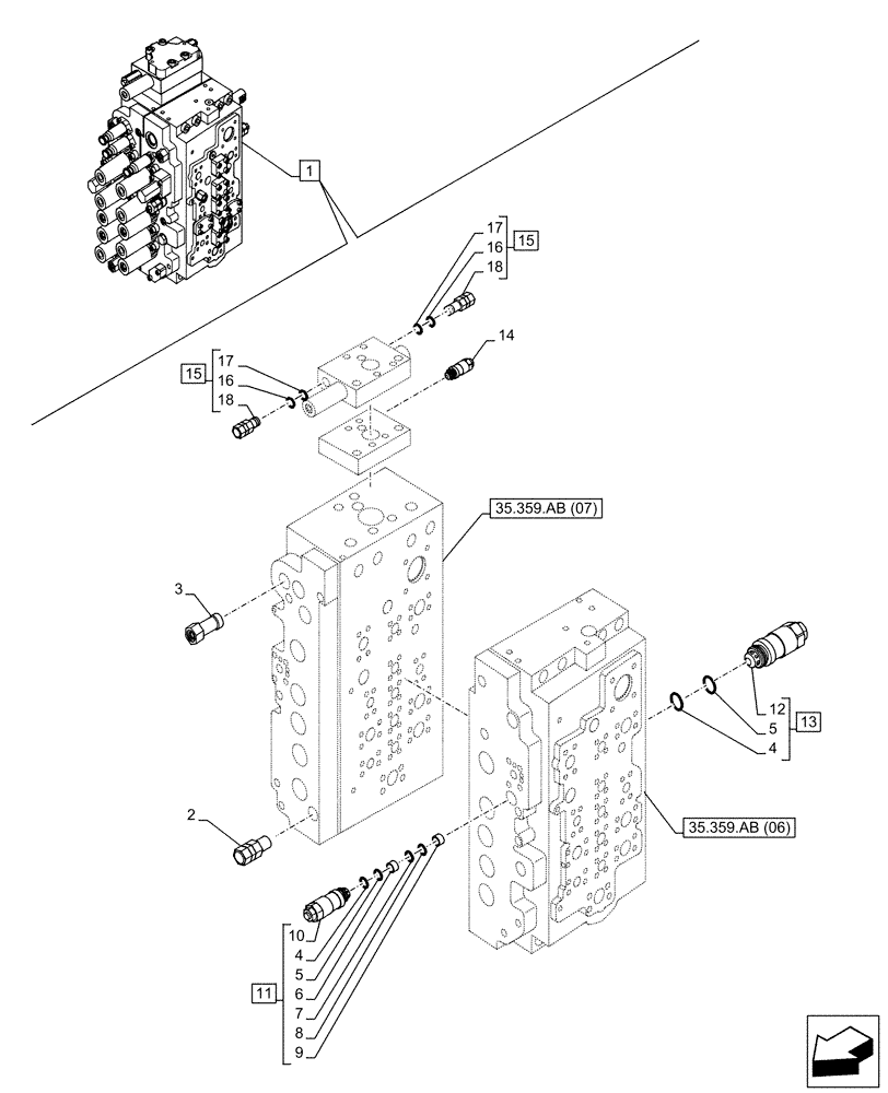
35.359.ab (07)
17
16
16
15
1
13
18
4
7
5
4
12
18
14
11
2
5
9
10
3
17
6
8
15
35.359.ab (06)
FIT
1:1
100%

Артикул

Название

Примечание

Количество

1

KBJ18682

CONTROL VALVE

Grey, ASSY, Incl 2 - 18

1шт.

See also Figure 35.359.AB (05), 35.359.AB (06), 35.359.AB (07), 35.359.AB (08)

1шт.

2

LJ022750

VALVE

Relief

1шт.

3

LJ022730

VALVE

Relief

2шт.

4

155223A1

O-RING

13шт.

5

154463A1

O-RING

8шт.

6

164905A1

BACK-UP RING

10шт.

7

164906A1

O-RING

5шт.

8

163323A1

O-RING

5шт.

9

164575A1

BACK-UP RING

10шт.

10

NSS

NOT SOLD SEPARAT

Relief Valve, Incl in 11

5шт.

11

LJ00734

HYDRAULIC VALVE

Relief, ASSY, Incl 4 (Qty 10), 5 (Qty 5), 6 - 10

5шт.

12

NSS

NOT SOLD SEPARAT

Relief Valve, Incl in 13

1шт.

13

LJ015020

VALVE PRESSURE RELIE

ASSY, Incl 4 (Qty 1), 5 (Qty 1), 12

1шт.

14

LJ019010

VALVE PRESSURE RELIE

1шт.

15

LJ014750

CHECK VALVE

ASSY, Inlc 16, 18

2шт.

16

154463A1

O-RING

2шт.

17

155223A1

O-RING

2шт.

18

NSS

NOT SOLD SEPARAT

Relief Valve, Incl in 15

2шт.

Выбрано товаров: 19