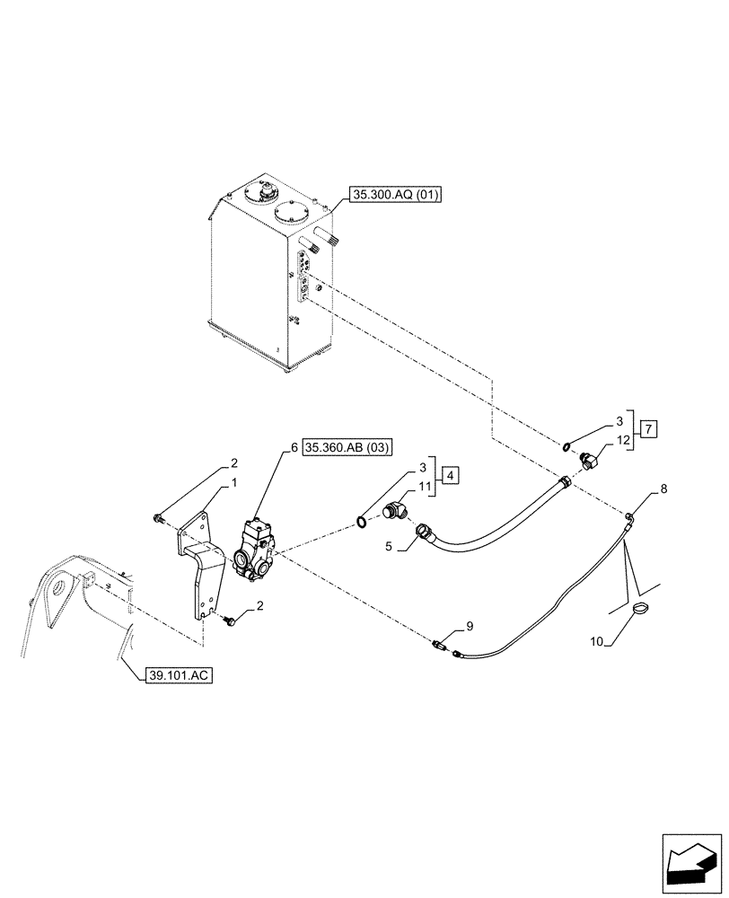
Запчасти Case CX250D LC (35.360.AB[02]) - VAR - 461869 - HYDRAULIC LINE, HAMMER CIRCUIT, SHEARS, HIGH FLOW, W/ ELECTRICAL PROPORTIONAL CONTROL (35) - HYDRAULIC SYSTEMS

Схема запчастей Case CX250D LC - (35.360.AB[02]) - VAR - 461869 - HYDRAULIC LINE, HAMMER CIRCUIT, SHEARS, HIGH FLOW, W/ ELECTRICAL PROPORTIONAL CONTROL (35) - HYDRAULIC SYSTEMS
39.101.ac
12
2
3
7
9
11
3
2
10
4
1
6
8
5
35.360.ab (03)
35.300.aq (01)
FIT
1:1
100%

Артикул

Название

Примечание

Количество

1

KRJ16050

SUPPORT

1шт.

2

166352A1

BOLT

6шт.

3

154523A1

O-RING

2шт.

4

157587A1

ELBOW

ASSY, G1 x G1 , Incl 3 (Qty 1), 11

1шт.

5

KBJ22210

HYDRAULIC HOSE

740mm

1шт.

6

KHJ10420

VALVE SECTION

ASSY

1шт.

7

157581A1

ELBOW,90 Degree, 1" O-Ring x 1"

ASSY, Incl 3 (Qty 1), 12

1шт.

8

KHJ16860

HOSE

950mm

1шт.

9

KHJ28580

ELBOW

G1/4 x G1/4

1шт.

10

150496A1

MOUNTING CLIP

2шт.

11

NSS

NOT SOLD SEPARAT

45° Fitting, Incl in 4

1шт.

12

NSS

NOT SOLD SEPARAT

90° Fitting, Incl in 7

1шт.

Выбрано товаров: 12