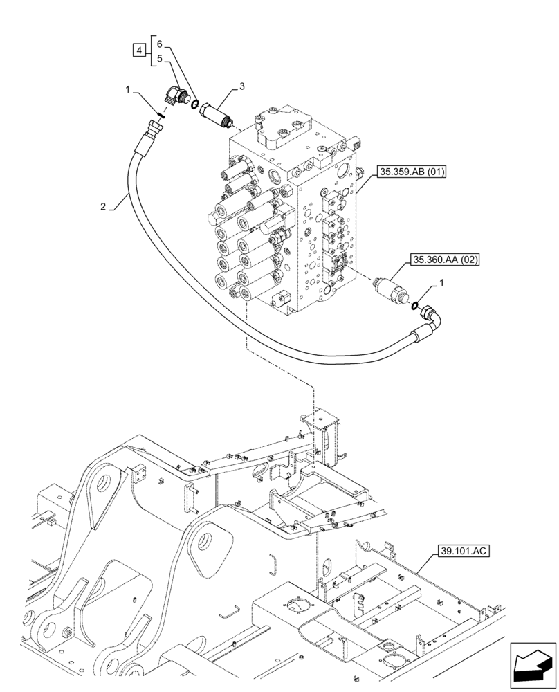
Запчасти Case CX250D LC (35.360.AB[07]) - VAR - 461871 - SHEARS, LINE, AUXILIARY CIRCUIT, W/ ELECTRICAL PROPORTIONAL CONTROL (35) - HYDRAULIC SYSTEMS

Схема запчастей Case CX250D LC - (35.360.AB[07]) - VAR - 461871 - SHEARS, LINE, AUXILIARY CIRCUIT, W/ ELECTRICAL PROPORTIONAL CONTROL (35) - HYDRAULIC SYSTEMS
1
2
3
35.359.ab (01)
39.101.ac
1
6
4
35.360.aa (02)
5
FIT
1:1
100%

Артикул

Название

Примечание

Количество

1

KHJ1360

O-RING,0.07" Thk x 0.739" ID

2шт.

2

KBJ19810

HYDRAULIC HOSE

1шт.

3

KHJ26310

STUD

1шт.

4

KHJ1804

ELBOW

ASSY, Incl 5, 6

1шт.

5

NSS

NOT SOLD SEPARAT

90° Fitting, Incl in 4

1шт.

6

154503A1

O-RING

1шт.

Выбрано товаров: 6