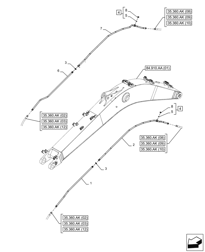
Запчасти Case CX250D LC (35.360.AK[01]) - VAR - 461561, 461563, 461865, 461869, 461871 - BOOM, LINE, HAMMER, SHEARS, HIGH FLOW (35) - HYDRAULIC SYSTEMS

Схема запчастей Case CX250D LC - (35.360.AK[01]) - VAR - 461561, 461563, 461865, 461869, 461871 - BOOM, LINE, HAMMER, SHEARS, HIGH FLOW (35) - HYDRAULIC SYSTEMS
84.910.aa (01)
5
8
8
6
5
3
3
7
1
4
4
35.360.ak (12)
35.360.ak (12)
2
35.360.ak (03)
35.360.ak (03)
35.360.ak (10)
35.360.ak (10)
35.360.ak (08)
35.360.ak (08)
35.360.ak (09)
35.360.ak (09)
35.360.ak (02)
35.360.ak (02)
FIT
1:1
100%

Артикул

Название

Примечание

Количество

1

KBV31230

PIPE

1шт.

2

KBV23610

HYD TUBE

1шт.

3

KHJ1361

O-RING,0.07" Thk x 0.926" ID

2шт.

4

152924A1

PLUG

ASSY, Incl 5, 8

2шт.

5

154503A1

O-RING

2шт.

6

KBV31240

PIPE

1шт.

7

KBV23630

HYD TUBE

, Serial Range: -C0222

1шт.

7

KBV23631

HYD TUBE

, Start Serial: D0222

1шт.

8

NSS

NOT SOLD SEPARAT

Fitting, Incl in 4

2шт.

Выбрано товаров: 9