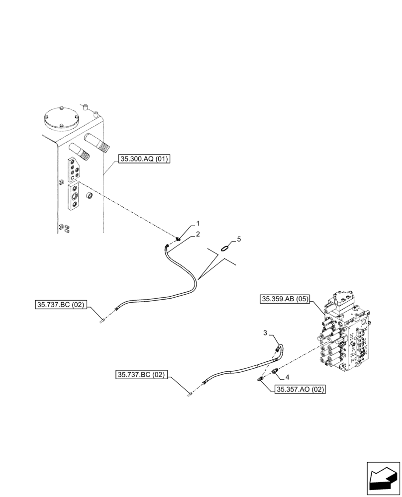
Запчасти Case CX250D LC (35.737.BC[01]) - VAR - 481064 - ARM, CYLINDER, SAFETY VALVE, LINES (35) - HYDRAULIC SYSTEMS

Схема запчастей Case CX250D LC - (35.737.BC[01]) - VAR - 481064 - ARM, CYLINDER, SAFETY VALVE, LINES (35) - HYDRAULIC SYSTEMS
2
35.300.aq (01)
3
5
35.359.ab (05)
35.357.ao (02)
35.737.bc (02)
1
4
35.737.bc (02)
FIT
1:1
100%

Артикул

Название

Примечание

Количество

1

KHJ11560

TEE

1шт.

2

KHJ30750

HYDRAULIC HOSE

1900mm

1шт.

3

KHJ24270

HYDRAULIC HOSE

1300mm

1шт.

4

KHJ31880

TEE

1шт.

5

150496A1

MOUNTING CLIP

8шт.

Выбрано товаров: 5