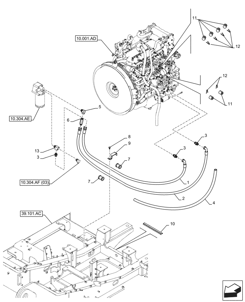
Запчасти Case CX250D LC (10.304.AF[02]) - VAR - 488034 - ENGINE OIL FILTER, DRAIN LINE (10) - ENGINE

Схема запчастей Case CX250D LC - (10.304.AF[02]) - VAR - 488034 - ENGINE OIL FILTER, DRAIN LINE (10) - ENGINE
10.304.af (03)
39.101.ac
11
12
3
10.001.ad
1
13
8
6
10.304.ae
9
12
11
10
3
7
3
4
2
7
5
FIT
1:1
100%

Артикул

Название

Примечание

Количество

1

KRH10330

HYDRAULIC HOSE,19.00 mm ID x 1350.00 mm

1шт.

2

KBH10590

HYDRAULIC HOSE,19.00 mm ID x 1450.00 mm

1шт.

3

KHH14620

ADAPTER

G3/4" x G3/4", Start Serial: D0102

3шт.

4

KHR21080

PLASTIC-RUBBER TUBE

1000mm

2шт.

580mm for Hydraulic Hose KRH10330; 700mm for Hydraulic Hose KBH10590

1шт.

5

KHH17590

ELBOW UNION

G3/4" x G3/4", Start Serial: D0102

1шт.

6

KHH17600

STUD

G3/4", Start Serial: D0102

1шт.

7

KHJ2023

HOSE CLAMP

2шт.

8

166052A1

BOLT

M10 x 25

1шт.

9

KHH13550

BRACKET

1шт.

10

150953A1

RUBBER BLOCK

1шт.

11

KHH14570

CAP

6шт.

12

KHH14600

LOCK PIN

6шт.

13

KHH17360

TEE

G3/4", Start Serial: D0102

1шт.

Выбрано товаров: 14