Запчасти Case CX250D LC (90.105.BV[07]) - STD + VAR - 488031 - HOUSING & COVERS, INSULATION (90) - PLATFORM, CAB, BODYWORK AND DECALS

Схема запчастей Case CX250D LC - (90.105.BV[07]) - STD + VAR - 488031 - HOUSING & COVERS, INSULATION (90) - PLATFORM, CAB, BODYWORK AND DECALS
5
8
14
12
9
90.105.bv (06)
1
6
7
10
39.101.ac
3
90.105.bv (06)
2
4
11
2
90.105.bv (06)
13
90.105.bv (06)
FIT
1:1
100%

Артикул

Название

Примечание

Количество

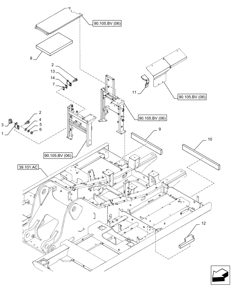
1

KHN12660

SUPPORT

1шт.

2

166347A1

BOLT,Sems, M10 x 30mm

6шт.

3

KRN2098

STOP

2шт.

4

895-11010

WASHER,11mm ID x 20mm OD x 2mm Thk

4шт.

5

892-11010

LOCK WASHER,M10

4шт.

6

829-1410

NUT,M10 x 1.5, Cl 10.9

4шт.

7

158749A1

SHIM

1шт.

8

KBN19980

SEAL

, Serial Range: -C0159

1шт.

8

KBN19981

SEAL

, Start Serial: D0159

1шт.

9

KRN14160

NOISE PROTECTION

1шт.

10

KRN14150

SEAL

1шт.

11

KBN19940

SEAL

1шт.

12

KBN16790

SEAL

1шт.

13

KHN11940

SUPPORT

, Serial Range: -C0159

1шт.

13

KHN41790

BRACKET

, Start Serial: D0159

1шт.

14

152719A1

SHIM

1шт.

Выбрано товаров: 16