Запчасти Case CX250D LC (90.105.BV[14]) - VAR - 481027 - HOUSING & COVERS, INSULATION, TROPICAL COOLING PACKAGE (90) - PLATFORM, CAB, BODYWORK AND DECALS

Схема запчастей Case CX250D LC - (90.105.BV[14]) - VAR - 481027 - HOUSING & COVERS, INSULATION, TROPICAL COOLING PACKAGE (90) - PLATFORM, CAB, BODYWORK AND DECALS
90.105.bv (13)
2
90.105.bv (13)
12
1
5
4
7
6
39.101.ac
90.105.bv (13)
10
90.105.bv (13)
8
14
9
2
11
13
3
FIT
1:1
100%

Артикул

Название

Примечание

Количество

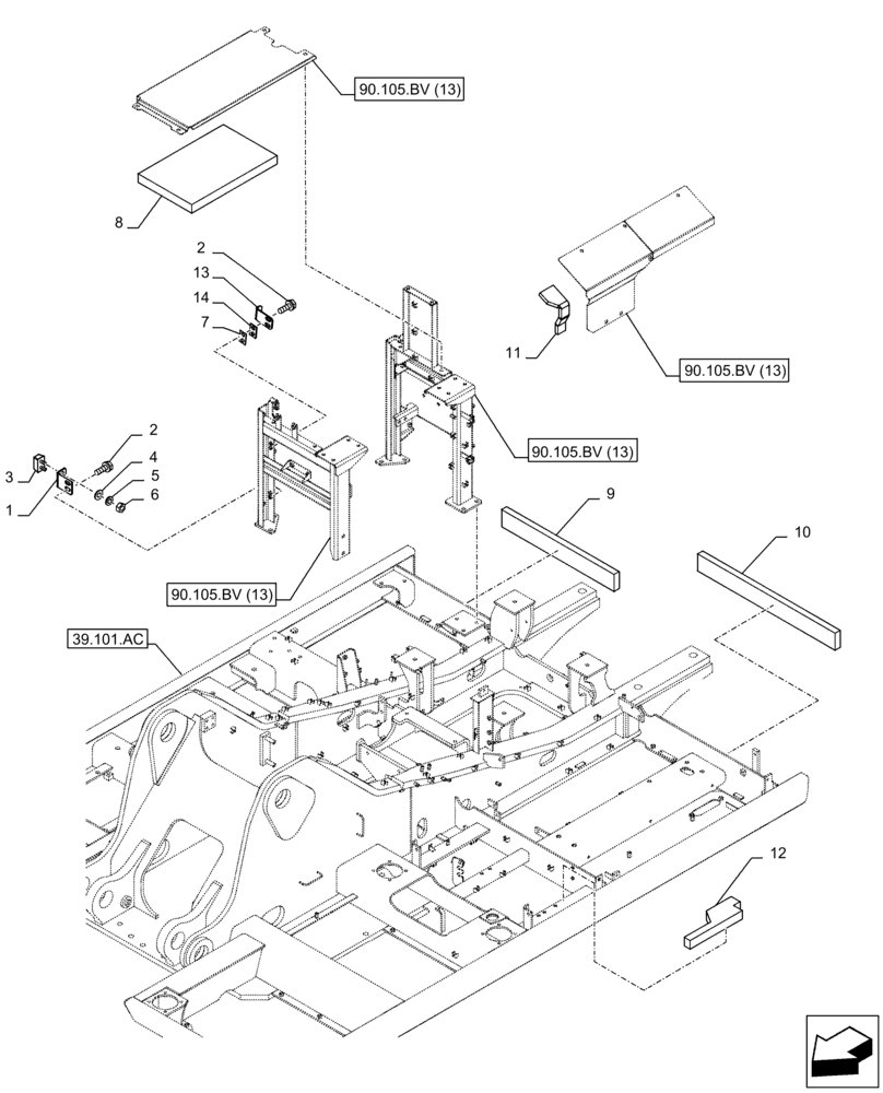
1

KHN12660

SUPPORT

1шт.

2

166347A1

BOLT,Sems, M10 x 30mm

6шт.

3

KRN2098

STOP

2шт.

4

895-11010

WASHER,11mm ID x 20mm OD x 2mm Thk

4шт.

5

892-11010

LOCK WASHER,M10

4шт.

6

829-1410

NUT,M10 x 1.5, Cl 10.9

4шт.

7

158749A1

SHIM

1шт.

8

KBN19981

SEAL

1шт.

9

KRN14160

NOISE PROTECTION

1шт.

10

KRN14150

SEAL

1шт.

11

KBN19940

SEAL

1шт.

12

KBN16790

SEAL

1шт.

13

KHN11940

SUPPORT

, Serial Range: -C0172

1шт.

13

KHN41790

BRACKET

, Start Serial: D0172

1шт.

14

152719A1

SHIM

1шт.

Выбрано товаров: 15