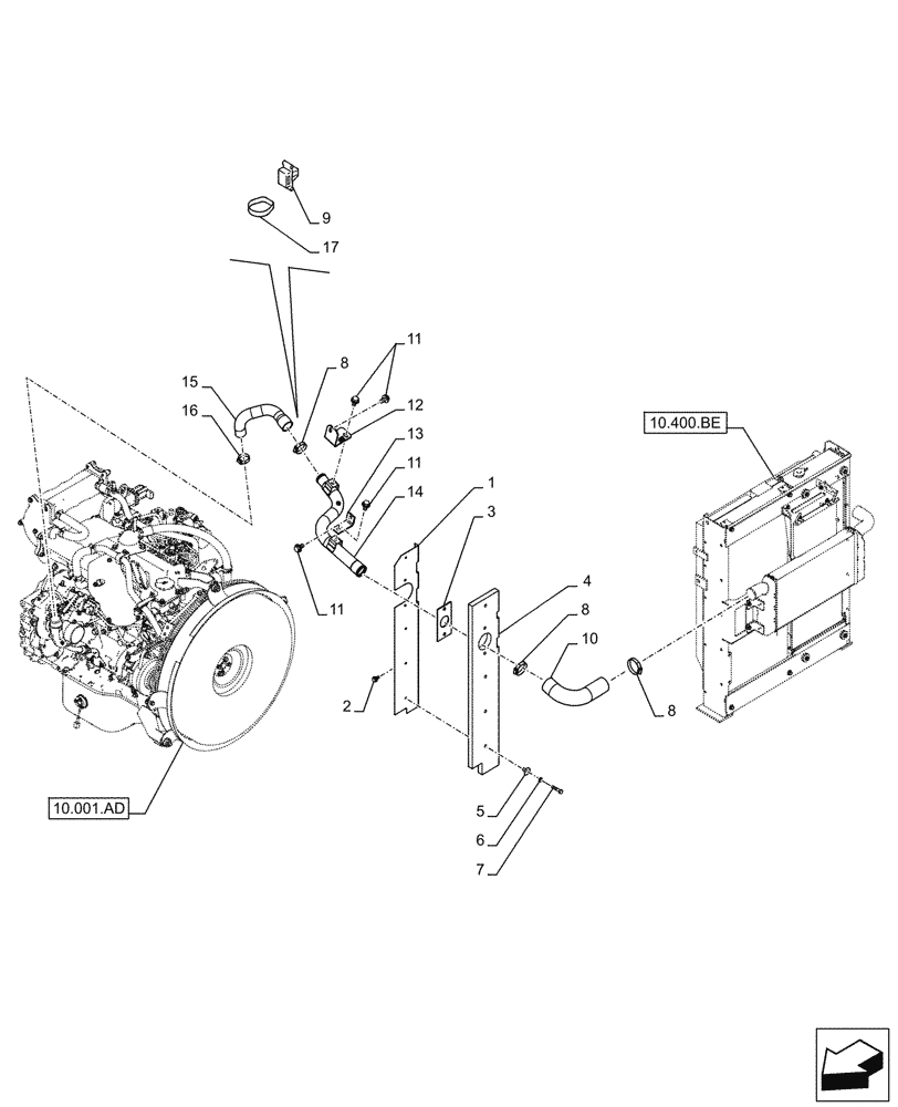
Запчасти Case CX250D LC (10.310.AB[02]) - AFTERCOOLER LINE, ENGINE, OUTLET - ASN NGS7M1170 (10) - ENGINE

Схема запчастей Case CX250D LC - (10.310.AB[02]) - AFTERCOOLER LINE, ENGINE, OUTLET - ASN NGS7M1170 (10) - ENGINE
10.400.be
5
12
13
16
10
11
8
7
14
8
9
11
15
1
17
11
3
6
8
2
4
10.001.ad
FIT
1:1
100%

Артикул

Название

Примечание

Количество

1

KBH13011

BRACKET

1шт.

2

166350A1

BOLT

M8 x 20

5шт.

3

KBH0929

RUBBER

1шт.

4

KBH13021

SEAL

1шт.

5

KHH0358

RETAINER

6шт.

6

895-11008

WASHER,9mm ID x 16mm OD x 1.6mm Thk

6шт.

7

827-8040

BOLT,Hex, M8 x 1.25 x 40mm, Cl 10.9

6шт.

8

164967A1

COLLAR

3шт.

9

KHR10220

MOUNTING CLIP

1шт.

10

KRH17100

RADIATOR HOSE

1шт.

11

152718A1

BOLT,Spcl, Hex Wshr, M12 x 25mm, Cl 10.9

4шт.

12

KBH14600

BRACKET

1шт.

13

KRH13800

BRACKET, SUPPORTING

1шт.

14

KBH14300

PIPE

1шт.

15

KRH19750

AIR HOSE

1шт.

16

164966A1

HOSE CLAMP

1шт.

17

150496A1

MOUNTING CLIP

250mm

1шт.

Выбрано товаров: 17