Запчасти Case CX250D LC (90.105.CO[04]) - VAR - 481027 - SIDE DOOR, TROPICAL COOLING PACKAGE (90) - PLATFORM, CAB, BODYWORK AND DECALS

Схема запчастей Case CX250D LC - (90.105.CO[04]) - VAR - 481027 - SIDE DOOR, TROPICAL COOLING PACKAGE (90) - PLATFORM, CAB, BODYWORK AND DECALS
2
3
8
7
6
1
39.101.ac
4
5
FIT
1:1
100%

Артикул

Название

Примечание

Количество

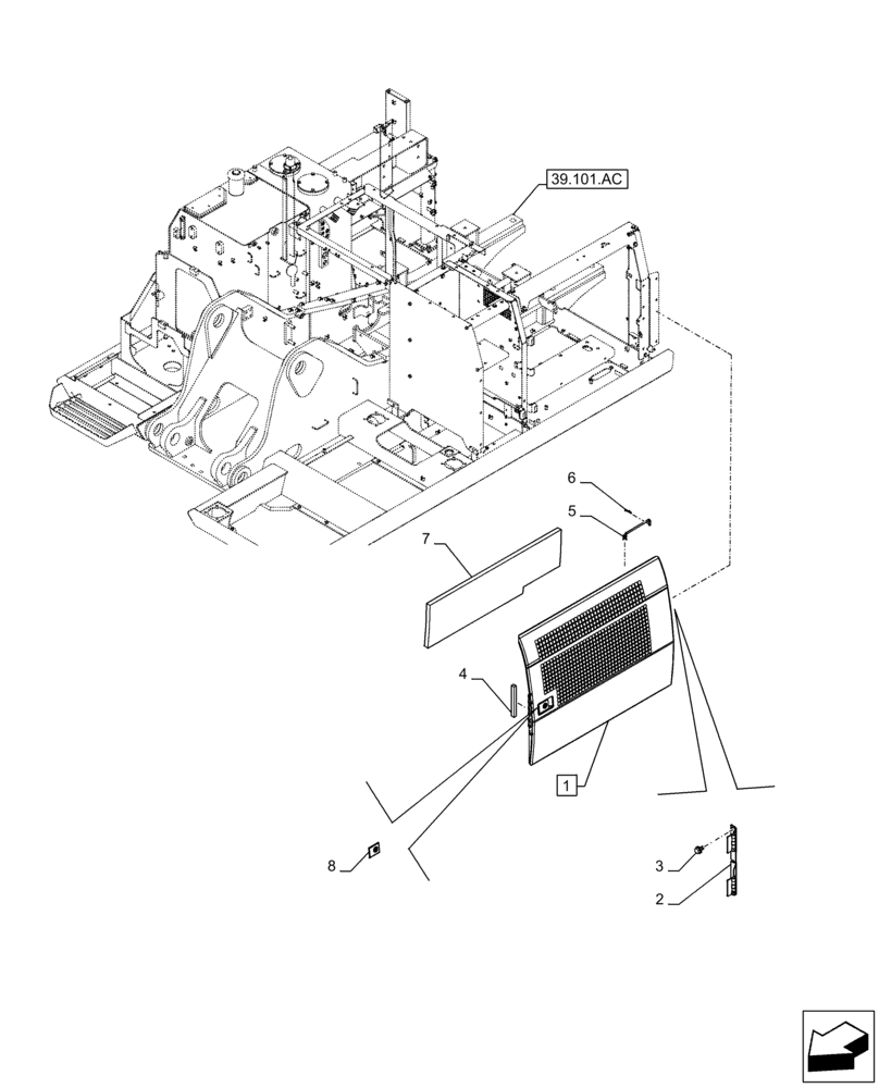
1

KBN22570Y2

DOOR

ASSY, Incl 2

1шт.

2

KHN35880

HINGE

2шт.

3

152718A1

BOLT,Spcl, Hex Wshr, M12 x 25mm, Cl 10.9

4шт.

4

KBN17460

SEAL

1шт.

5

KBN17140

STAY

1шт.

6

153181A1

COTTER PIN

1шт.

7

KBN22100

INSULATION

1шт.

8

150938A1

LOCK

1шт.

Выбрано товаров: 8