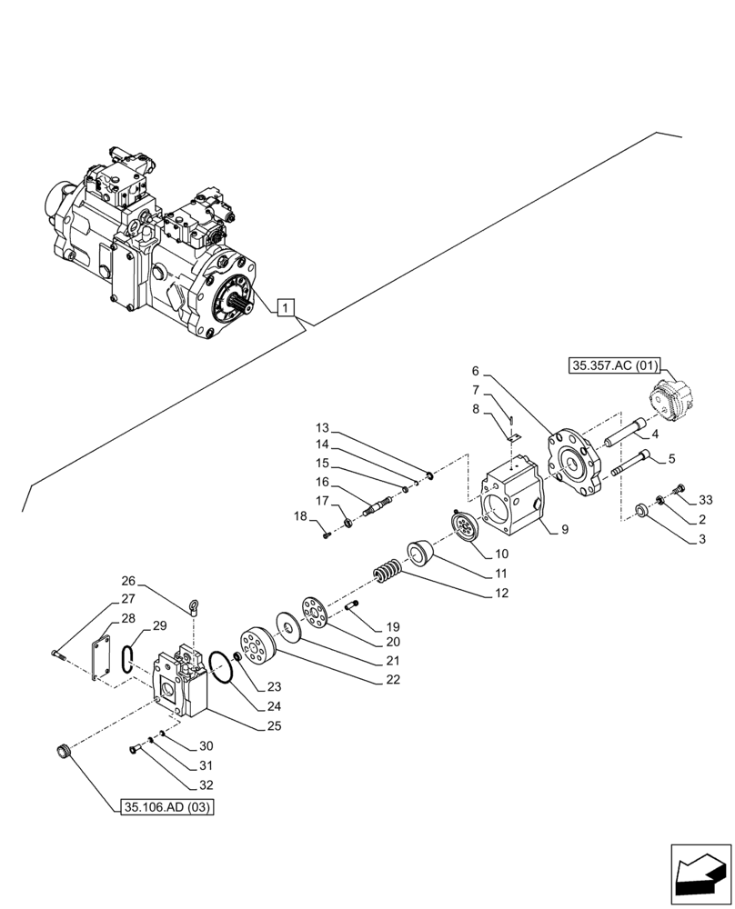
Запчасти Case CX250D LC (35.106.AD[02]) - VARIABLE DELIVERY HYDRAULIC PUMP, COMPONENTS (35) - HYDRAULIC SYSTEMS

Схема запчастей Case CX250D LC - (35.106.AD[02]) - VARIABLE DELIVERY HYDRAULIC PUMP, COMPONENTS (35) - HYDRAULIC SYSTEMS
2
23
28
9
12
32
15
21
20
25
19
17
35.357.ac (01)
7
11
8
31
10
4
24
5
16
6
3
1
18
14
35.106.ad (03)
27
29
13
26
30
22
33
FIT
1:1
100%

Артикул

Название

Примечание

Количество

1

KBJ18651

HYDRAULIC PUMP

ASSY, Incl 2 - 33, Serial Range: -C0144

1шт.

See also Figure 35.106.AD (01), 35.106.AD (03), 35.106.AD (04), 35.357.AC (01)

1шт.

1

KBJ18652

HYDRAULIC PUMP

ASSY, Incl 2 - 33, Start Serial: D0144

1шт.

See also Figure 35.106.AD (01), 35.106.AD (03), 35.106.AD (04), 35.357.AC (01)

1шт.

2

164R016VR

NUT

, Serial Range: -C0144

1шт.

2

LA016770

NUT

, Start Serial: D0144

1шт.

3

LW007280

COVER

1шт.

4

LB017110

DRIVE SHAFT

1шт.

5

167078A1

BOLT,M8 x 40mm, Cl 12.9

4шт.

6

LW007270

BODY

1шт.

7

LA00027

RIVET

2шт.

8

NSS

NOT SOLD SEPARAT

Nameplate, Incl in 1

1шт.

9

NSS

NOT SOLD SEPARAT

Case, Incl in 1

1шт.

10

LR023300

PLATE

1шт.

11

LB017140

BUSHING

1шт.

12

LG00062

SPRING

18шт.

13

154017A1

BACK-UP RING

, Serial Range: -C0144

2шт.

13

LE025810

RING

, Start Serial: D0144

2шт.

14

LE01176

O-RING

2шт.

15

160115A1

STOP

2шт.

16

LJ022410

PISTON

1шт.

17

162R020VR

NUT

, Serial Range: -C0144

1шт.

17

LA016780

NUT

, Start Serial: D0144

1шт.

18

160296A1

SET SCREW

1шт.

19

LJ022370

PISTON

1шт.

20

LR023320

PLATE

1шт.

21

LR023310

PLATE

1шт.

22

LJ022390

BLOCK

1шт.

23

LB017120

ROLLER

, Serial Range: -C0144

1шт.

23

LB00645

BEARING, ROLLER, CYL

, Start Serial: D0144

1шт.

24

LE024770

O-RING

1шт.

25

LJ022420

BLOCK

1шт.

26

126R010SR

EYEBOLT

, Serial Range: -C0144

2шт.

26

LA016830

EYEBOLT

, Start Serial: D0144

2шт.

27

863-10020

HEX SOC SCREW,M10 x 20mm, Cl 12.9

, Serial Range: -C0144

4шт.

27

LA016800

BOLT

, Start Serial: D0144

4шт.

28

LW005710

COVER

1шт.

29

LE013510

O-RING

1шт.

30

LE022170

SEAL

10шт.

31

154469A1

O-RING

, Serial Range: -C0144

7шт.

31

LE013410

O-RING

, Start Serial: D0144

7шт.

32

LJ022400

VALVE

4шт.

33

160295A1

SET SCREW

1шт.

Выбрано товаров: 43