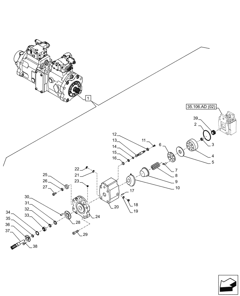
Запчасти Case CX250D LC (35.106.AD[03]) - VARIABLE DELIVERY HYDRAULIC PUMP, COMPONENTS (35) - HYDRAULIC SYSTEMS

Схема запчастей Case CX250D LC - (35.106.AD[03]) - VARIABLE DELIVERY HYDRAULIC PUMP, COMPONENTS (35) - HYDRAULIC SYSTEMS
35.106.ad (02)
27
29
22
37
1
34
31
38
28
25
39
19
11
26
3
23
33
21
6
14
7
13
5
24
12
18
36
35
17
8
4
15
10
2
9
16
20
30
32
FIT
1:1
100%

Артикул

Название

Примечание

Количество

1

KBJ18651

HYDRAULIC PUMP

ASSY, Incl 2 - 39, Serial Range: -C0146

1шт.

See also Figure 35.106.AD (01), 35.106.AD (02), 35.106.AD (04), 35.357.AC (01)

1шт.

1

KBJ18652

HYDRAULIC PUMP

ASSY, Incl 2 - 39, Start Serial: D0146

1шт.

See also Figure 35.106.AD (01), 35.106.AD (02), 35.106.AD (04), 35.357.AC (01)

1шт.

2

LE024770

O-RING

1шт.

3

LB017130

NEEDLE

2шт.

4

LJ022380

BLOCK

1шт.

5

LR023310

PLATE

1шт.

6

LR023320

PLATE

1шт.

7

LJ022370

PISTON

1шт.

8

LG00062

SPRING

1шт.

9

LB017140

BUSHING

1шт.

10

LR023300

PLATE

1шт.

11

160296A1

SET SCREW

1шт.

12

162R020VR

NUT

, Serial Range: -C0146

1шт.

12

LA016780

NUT

, Start Serial: D0146

1шт.

13

LJ022410

PISTON

1шт.

14

160116A1

STOP

2шт.

15

154489A1

O-RING

, Serial Range: -C0146

2шт.

15

LE01177

O-RING

, Start Serial: D0146

2шт.

16

153970A1

BACK-UP RING

, Serial Range: -C0146

2шт.

16

LE025800

RING

, Start Serial: D0146

2шт.

17

LA016470

PIN

4шт.

18

TK00180

PLUG

4шт.

19

LE013440

O-RING

4шт.

20

NSS

NOT SOLD SEPARAT

Case, Incl in 1

1шт.

21

154469A1

O-RING

, Serial Range: -C0146

7шт.

21

LE013410

O-RING

, Start Serial: D0146

7шт.

22

LK00015

PLUG

2шт.

23

LK006340

PLUG

18шт.

24

LW007260

BODY

1шт.

25

LW007280

COVER

1шт.

26

164R016VR

NUT

, Serial Range: -C0146

1шт.

26

LA016770

NUT

, Start Serial: D0146

1шт.

27

160295A1

SET SCREW

1шт.

28

LS005360

SUPPORT

2шт.

29

TUM0017

BOLT

, Serial Range: -C0146

4шт.

29

LA016810

BOLT

, Start Serial: D0146

4шт.

30

LA00569

DOWEL

2шт.

31

800-1145

SNAP RING,M45, Ext

, Serial Range: -C0146

3шт.

31

LA016820

RING

, Start Serial: D0146

3шт.

32

LH007400

SPACER

, Serial Range: -C0146

3шт.

32

LH007430

SPACER

, Start Serial: D0146

3шт.

33

LB017120

ROLLER

, Serial Range: -C0146

1шт.

33

LB00645

BEARING, ROLLER, CYL

, Start Serial: D0146

1шт.

34

LE018730

OIL SEAL

1шт.

35

LE015120

O-RING

1шт.

36

LW007250

COVER

1шт.

37

LB017100

DRIVE SHAFT

1шт.

38

108R008Y016R

BOLT

, Serial Range: -C0146

4шт.

38

LA016790

BOLT

, Start Serial: D0146

4шт.

39

LC003890

GEAR

1шт.

Выбрано товаров: 52