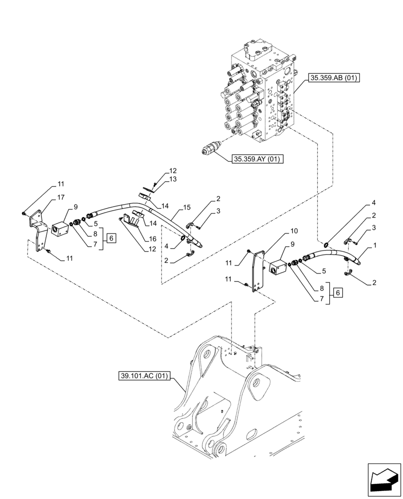
Запчасти Case CX250D LC LR (35.360.AB[06]) - VAR - 461872 - SHEARS, LINE, AUXILIARY CIRCUIT, W/ ELECTRICAL PROPORTIONAL CONTROL (35) - HYDRAULIC SYSTEMS

Схема запчастей Case CX250D LC LR - (35.360.AB[06]) - VAR - 461872 - SHEARS, LINE, AUXILIARY CIRCUIT, W/ ELECTRICAL PROPORTIONAL CONTROL (35) - HYDRAULIC SYSTEMS
1
9
11
11
14
6
16
2
7
15
39.101.ac
4
12
12
5
11
3
4
9
35.359.ab (01)
17
2
2
8
35.359.ay (01)
6
11
7
13
8
14
3
5
2
10
FIT
1:1
100%

Артикул

Название

Примечание

Количество

1

KBJ22370

HYDRAULIC HOSE

890mm

1шт.

2

153459A1

FLANGE

4шт.

3

862-10030

HEX SOC SCREW,M10 x 30mm, Cl 12.9

8шт.

4

155211A1

O-RING

2шт.

5

KHJ1361

O-RING,0.07" Thk x 0.926" ID

2шт.

6

KHJ1349

ADAPTER

ASSY, Incl 7, 8

2шт.

7

154523A1

O-RING

2шт.

8

NSS

NOT SOLD SEPARAT

Fitting, Incl in 6

2шт.

9

KRJ12170

MANIFOLD VALVE

2шт.

10

KRJ11470

SUPPORT

1шт.

11

166352A1

BOLT

12шт.

12

166052A1

BOLT

4шт.

13

KRJ10800

PLATE

1шт.

14

KRJ11450

HOSE CLIP

2шт.

15

KBJ25930

HYDRAULIC HOSE

1620mm

1шт.

16

KBJ19820

BRACKET

1шт.

17

KRJ16050

SUPPORT

1шт.

Выбрано товаров: 17