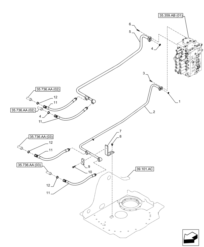
Запчасти Case CX250D LC LR (35.736.AC) - VAR - 461029 - LIFT CYLINDER, BOOM, LINES (35) - HYDRAULIC SYSTEMS

Схема запчастей Case CX250D LC LR - (35.736.AC) - VAR - 461029 - LIFT CYLINDER, BOOM, LINES (35) - HYDRAULIC SYSTEMS
39.101.ac
11
12
1
1
8
9
10
35.736.aa (02)
4
12
6
35.736.aa (02)
1
4
2
7
11
12
35.359.ab (01)
35.736.aa (03)
5
3
11
35.736.aa (03)
FIT
1:1
100%

Артикул

Название

Примечание

Количество

1

155210A1

O-RING

1шт.

2

KBJ21970

PIPE

1шт.

3

862-10030

HEX SOC SCREW,M10 x 30mm, Cl 12.9

4шт.

4

155211A1

O-RING

1шт.

5

KBJ21960

PIPE

1шт.

6

862-10035

HEX SOC SCREW,M10 x 35mm, Cl 12.9

4шт.

7

KBJ21980

BRACKET

1шт.

8

166352A1

BOLT

2шт.

9

152085A1

COLLAR

1шт.

10

167183A1

BOLT,Sems, M12 x 60mm, Cl 10.9

1шт.

11

KRJ11331

HYDRAULIC HOSE

4шт.

12

KHJ1360

O-RING,0.07" Thk x 0.739" ID

4шт.

Выбрано товаров: 12