Запчасти Case CX250D LC LR (88.100.35[096]) - DIA KIT, CLAMSHELL BUCKET, ROTATION, W/ HYDRAULIC CONTROL, HYDRAULIC PUMP, GEAR (88) - ACCESSORIES

Схема запчастей Case CX250D LC LR - (88.100.35[096]) - DIA KIT, CLAMSHELL BUCKET, ROTATION, W/ HYDRAULIC CONTROL, HYDRAULIC PUMP, GEAR (88) - ACCESSORIES
3
6
88.100.35 (097)
2
5
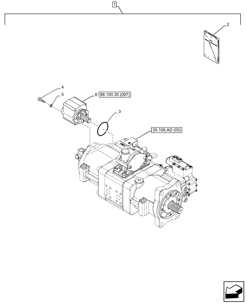
1
4
35.106.ad (05)
FIT
1:1
100%

Артикул

Название

Примечание

Количество

1

KG1BP607-00

CONSTRUCTION DIA

Second Option Line Proportional, Incl 2 - 6

1шт.

To See Full DIA KIT Composition Look for all the Figures Where the DIA KIT P/N Is Shown

1шт.

2

47880448

INSTRUCTION

1шт.

3

154697A1

O-RING

1шт.

4

862-10030

HEX SOC SCREW,M10 x 30mm, Cl 12.9

2шт.

5

150409A1

WASHER

2шт.

6

KRJ34770

PUMP

ASSY

1шт.

Выбрано товаров: 7