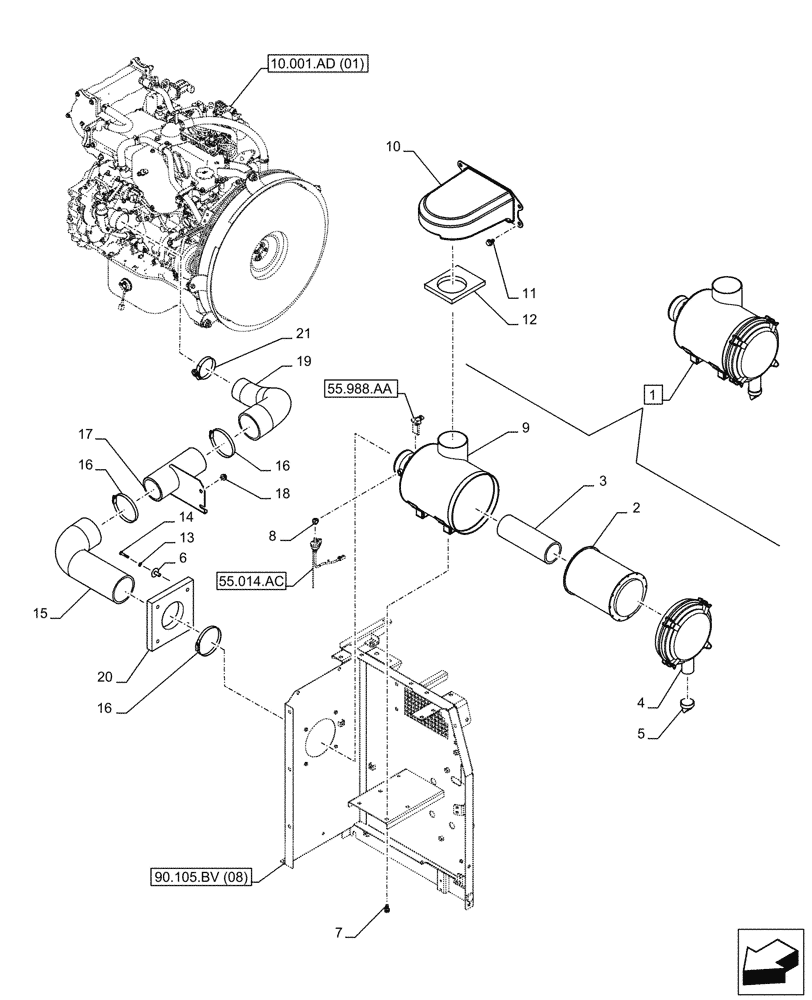
Запчасти Case CX250D LC LR (10.202.AB[01]) - AIR CLEANER (10) - ENGINE

Схема запчастей Case CX250D LC LR - (10.202.AB[01]) - AIR CLEANER (10) - ENGINE
7
9
2
16
5
17
55.988.aa
21
13
19
14
16
10.001.ad (01)
55.014.ac
18
16
90.105.bv (08)
8
12
20
15
10
3
6
11
1
4
FIT
1:1
100%

Артикул

Название

Примечание

Количество

1

KRH17230

AIR CLEANER

ASSY, Incl 2 - 5, 9

1шт.

2

KBH0921

AIR FILTER

Air Cleaner, Primary

1шт.

3

KBH0922

AIR FILTER

Air Cleaner, Secondary

1шт.

4

KBH0923

COVER ASSY

1шт.

5

KBH0924

VALVE

1шт.

6

KHH0358

RETAINER

4шт.

7

166052A1

BOLT

M10 x 25mm

4шт.

8

KHH13870

ELBOW UNION

PT1/8-NPT1/8

1шт.

9

NSS

NOT SOLD SEPARAT

Air Cleaner Cover, Incl in 1

1шт.

10

KRH13580

DUCT

1шт.

11

152718A1

BOLT,Spcl, Hex Wshr, M12 x 25mm, Cl 10.9

4шт.

12

KRH13590

SEAL

1шт.

13

895-11008

WASHER,9mm ID x 16mm OD x 1.6mm Thk

4шт.

14

827-8040

BOLT,Hex, M8 x 1.25 x 40mm, Cl 10.9

4шт.

15

KBH14190

INTAKE AIR HOSE

1шт.

16

KHJ33120

HOSE CLAMP

3шт.

17

KBH12561

BRACKET

1шт.

18

105R012Y025R

BOLT

M12 x 25mm

2шт.

19

KBH12570

INTAKE AIR HOSE

1шт.

20

KRN20320

SEAL PROTECTION

1шт.

21

KHH13210

CLAMP

1шт.

Выбрано товаров: 21