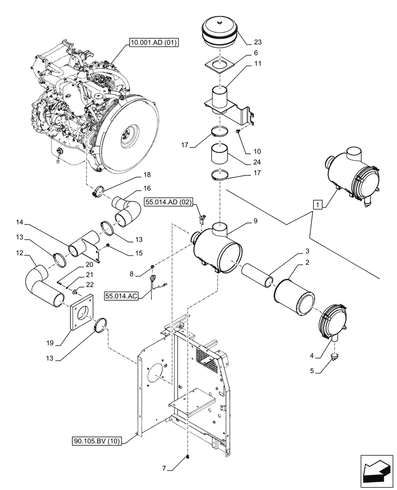
Запчасти Case CX250D LC LR (10.202.AB[02]) - VAR - 488031 - AIR CLEANER,, PRE-CLEANER CYCLONE TYPE (10) - ENGINE

Схема запчастей Case CX250D LC LR - (10.202.AB[02]) - VAR - 488031 - AIR CLEANER,, PRE-CLEANER CYCLONE TYPE (10) - ENGINE
90.105.bv (10)
2
20
17
16
6
12
23
8
5
18
14
10
7
13
11
19
3
13
9
17
13
22
24
21
1
4
15
55.014.ac
55.014.ad (02)
10.001.ad (01)
FIT
1:1
100%

Артикул

Название

Примечание

Количество

1

KRH17230

AIR CLEANER

ASSY, Incl 2 - 5, 9

1шт.

2

KBH0921

AIR FILTER

Air Cleaner, Primary

1шт.

3

KBH0922

AIR FILTER

Air Cleaner, Secondary

1шт.

4

KBH0923

COVER ASSY

1шт.

5

KBH0924

VALVE

1шт.

6

KRH12050

SEAL

1шт.

7

166052A1

BOLT

M10 x 25mm

4шт.

8

KHH13870

ELBOW UNION

PT1/8-NPT1/8

1шт.

9

NSS

NOT SOLD SEPARAT

Air Cleaner Cover, Incl in 1

1шт.

10

152718A1

BOLT,Spcl, Hex Wshr, M12 x 25mm, Cl 10.9

4шт.

11

KBH15650

BRACKET

1шт.

12

KBH14190

INTAKE AIR HOSE

1шт.

13

KHJ33120

HOSE CLAMP

3шт.

14

KBH12561

BRACKET

1шт.

15

105R012Y025R

BOLT

M12 x 25mm

2шт.

16

KBH12570

INTAKE AIR HOSE

1шт.

17

KHJ33130

HOSE CLAMP

2шт.

18

KHH13210

CLAMP

1шт.

19

KRN20320

SEAL PROTECTION

1шт.

20

827-8040

BOLT,Hex, M8 x 1.25 x 40mm, Cl 10.9

4шт.

21

895-11008

WASHER,9mm ID x 16mm OD x 1.6mm Thk

4шт.

22

KHH0358

RETAINER

4шт.

23

KHH13120

FILTER ASSY

1шт.

24

KRH12040

LARGE HOSE

1шт.

Выбрано товаров: 24