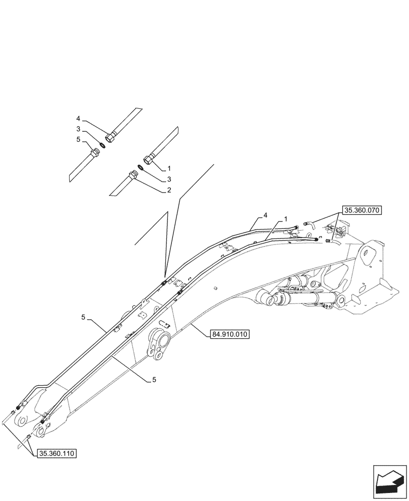
Запчасти Case CX290D LC MH (35.360.100) - VAR - 461872 - BOOM, LINE, HAMMER CIRCUIT, SHEARS, HIGH FLOW, W/ ELECTRICAL PROPORTIONAL CONTROL (35) - HYDRAULIC SYSTEMS

Схема запчастей Case CX290D LC MH - (35.360.100) - VAR - 461872 - BOOM, LINE, HAMMER CIRCUIT, SHEARS, HIGH FLOW, W/ ELECTRICAL PROPORTIONAL CONTROL (35) - HYDRAULIC SYSTEMS
35.360.110
3
5
5
3
4
2
1
1
4
5
84.910.010
35.360.070
FIT
1:1
100%

Артикул

Название

Примечание

Количество

1

KBV29320

PIPE

From Control Valve to Stop Valve

1шт.

2

KBV29300

PIPE

From Control Valve to Stop Valve

1шт.

3

KHJ1361

O-RING,0.07" Thk x 0.926" ID

2шт.

4

KBV29310

PIPE

From Control Valve to Stop Valve

1шт.

5

KBV29290

PIPE

From Control Valve to Stop Valve

1шт.

Выбрано товаров: 5