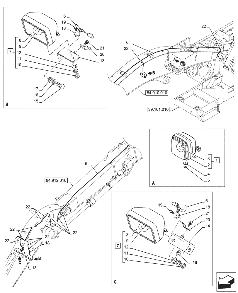
Запчасти Case CX290D LC MH (55.404.040) - WORKING LIGHT, FRONT LIGHT (55) - ELECTRICAL SYSTEMS

Схема запчастей Case CX290D LC MH - (55.404.040) - WORKING LIGHT, FRONT LIGHT (55) - ELECTRICAL SYSTEMS
84.912.010
11
10
19
1
6
8
6
22
4
9
8
22
22
5
7
18
22
22
10
7
20
21
22
22
20
6
15
18
6
9
3
2
17
19
18
21
13
18
16
14
12
11
12
16
84.910.010
39.101.010
FIT
1:1
100%

Артикул

Название

Примечание

Количество

1

KHR2475

WORK LAMP

ASSY, Incl 2- 3 24V x 70W

1шт.

2

KHR2476

WORK LAMP

1шт.

3

KHR2477

BULB

1шт.

4

KHN0539

WASHER

M8

1шт.

5

183-108VR

SPRING WASHER

1шт.

6

KHR50340

WIRE HARNESS

1шт.

7

KHR50220

LAMP

ASSY, Incl 8 - 12 70W

3шт.

8

KHR25390

LENS

3шт.

9

152812A1

BULB

3шт.

10

167034A1

NUT

M14 x 1.5

3шт.

11

892-16014

LOCK WASHER,M14, Hvy

3шт.

12

896-11014

WASHER,15.5mm ID x 28mm OD x 3mm Thk

3шт.

13

KHR50060

BRACKET

2шт.

14

KHR50070

BRACKET

1шт.

15

627-16030

BOLT,Hex, M16 x 2 x 30mm, Cl 10.9, Full Thd

M16 x 30mm

1шт.

16

892-11016

LOCK WASHER,16.4mm ID x 27.4mm OD x 5mm Thk

3шт.

17

896-11016

WASHER,17.5mm ID x 30mm OD x 4mm Thk

1шт.

18

KHR2583

CLAMP

5шт.

19

159906A1

BOLT,Sems, Hex, M6 x 20mm, Spcl

M6 x 20mm

3шт.

20

KHR3748

COLLAR

3шт.

21

167518A1

BOLT

M8 x 16mm

3шт.

22

150496A1

MOUNTING CLIP

250mm

1шт.

Выбрано товаров: 22