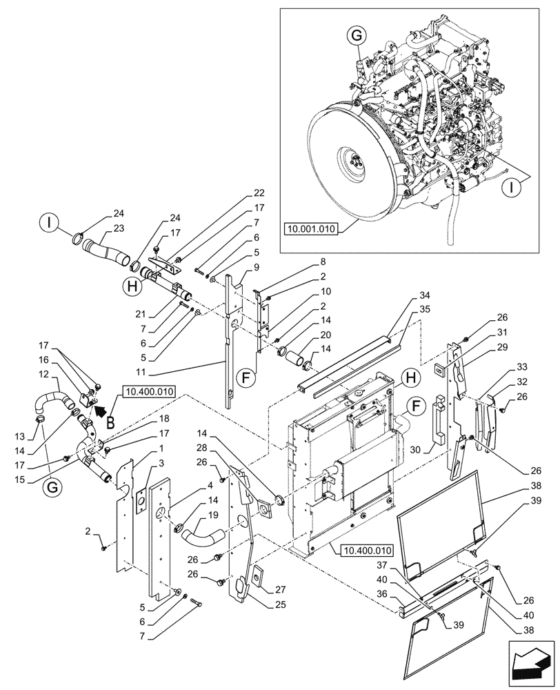
Запчасти Case CX290D LC MH (10.310.010) - AFTERCOOLER LINE (10) - ENGINE

Схема запчастей Case CX290D LC MH - (10.310.010) - AFTERCOOLER LINE (10) - ENGINE
10.400.010
3
25
36
35
38
26
1
2
8
40
7
27
33
13
16
38
17
6
22
18
40
12
26
30
39
2
7
24
37
5
6
15
19
39
31
17
26
14
9
6
29
5
4
26
21
11
7
24
14
26
23
34
17
20
14
17
26
17
10
5
28
14
32
2
14
26
10.001.010
10.400.010
FIT
1:1
100%

Артикул

Название

Примечание

Количество

1

KBH13011

BRACKET

1шт.

2

166350A1

BOLT

M8 x 20mm

9шт.

3

KBH0929

RUBBER

1шт.

4

KBH13021

SEAL

1шт.

5

KHH0358

RETAINER

9шт.

6

895-11008

WASHER,9mm ID x 16mm OD x 1.6mm Thk

9шт.

7

827-8040

BOLT,Hex, M8 x 1.25 x 40mm, Cl 10.9

9шт.

8

KBH13040

BRACKET

1шт.

9

KBH13050

SEAL

1шт.

10

KBH13062

BRACKET

1шт.

11

KBH13073

SEAL

1шт.

12

KRH19750

AIR HOSE

From Radiator to Engine

1шт.

13

164966A1

HOSE CLAMP

1шт.

14

164967A1

COLLAR

5шт.

15

KBH14300

PIPE

From Radiator to Engine

1шт.

16

KBH14600

BRACKET

1шт.

17

152718A1

BOLT,Spcl, Hex Wshr, M12 x 25mm, Cl 10.9

8шт.

18

KRH13800

BRACKET, SUPPORTING

1шт.

19

KRH12190

AIR HOSE

From Radiator to Engine

1шт.

20

KRH13810

LARGE HOSE

From Radiator to Engine

1шт.

21

KRH10320

SUCTION PIPE

From Radiator to Engine

1шт.

22

KRH13830

BRACKET, SUPPORTING

1шт.

23

KBH12430

AIR HOSE

From Radiator to Engine

1шт.

24

KHH0411

COLLAR

2шт.

25

KBH13133

BRACKET

1шт.

26

166351A1

BOLT,Sems, M10 x 20mm

18шт.

27

KBH13141

SEAL

1шт.

28

KBH13152

SEAL

1шт.

29

KBH13184

BRACKET

1шт.

30

KBH13190

SEAL

1шт.

31

KBH13200

SEAL

1шт.

32

KBH13231

BRACKET

1шт.

33

KBH15550

SEAL

1шт.

34

KBH13250

BRACKET

1шт.

35

KBH13690

SEAL

1шт.

36

KBH13261

BRACKET

1шт.

37

KHH16050

FASTENER

4шт.

38

KBH13452

SCREEN

2шт.

39

KHH16040

STUD

4шт.

40

KHH16060

WASHER

4шт.

Выбрано товаров: 40