Запчасти Case CX290D LC SL (35.359.060) - VAR - 461863 - CONTROL VALVE, CLAMSHELL BUCKET, ROTATION, W/ ELECTRICAL PROPORTIONAL CONTROL, COMPONENTS (35) - HYDRAULIC SYSTEMS

Схема запчастей Case CX290D LC SL - (35.359.060) - VAR - 461863 - CONTROL VALVE, CLAMSHELL BUCKET, ROTATION, W/ ELECTRICAL PROPORTIONAL CONTROL, COMPONENTS (35) - HYDRAULIC SYSTEMS
35.359.020
6
9
8
4
11
5
2
9
10
8
7
13
14
1
8
16
12
6
9
15
3
5
FIT
1:1
100%

Артикул

Название

Примечание

Количество

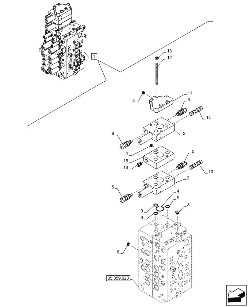
1

KBJ29190

CONTROL VALVE

ASSY, Incl 2 - 16

1шт.

See also Figure 35.359.020, 35.359.030, 35.359.040, 35.359.050

1шт.

2

NSS

NOT SOLD SEPARAT

Body, Incl in 1

1шт.

3

NSS

NOT SOLD SEPARAT

Body, Incl in 1

1шт.

4

LE027200

O-RING

1шт.

5

LJ021240

VALVE PRESSURE RELIE

2шт.

6

LJ014750

CHECK VALVE

2шт.

7

163370A1

PLUG

5шт.

8

163369A1

PLUG

4шт.

9

LE012520

O-RING

3шт.

10

LJ023840

SPOOL

1шт.

11

LT001660

END PLATE

1шт.

12

LB012110

TIE-ROD

4шт.

13

LUC0094

SPECIAL NUT

4шт.

14

LJ014760

HYD VALVE SECTION

1шт.

15

LJ014770

CONNECTING BLOCK

1шт.

16

LJ014780

CHECK VALVE

1шт.

Выбрано товаров: 17