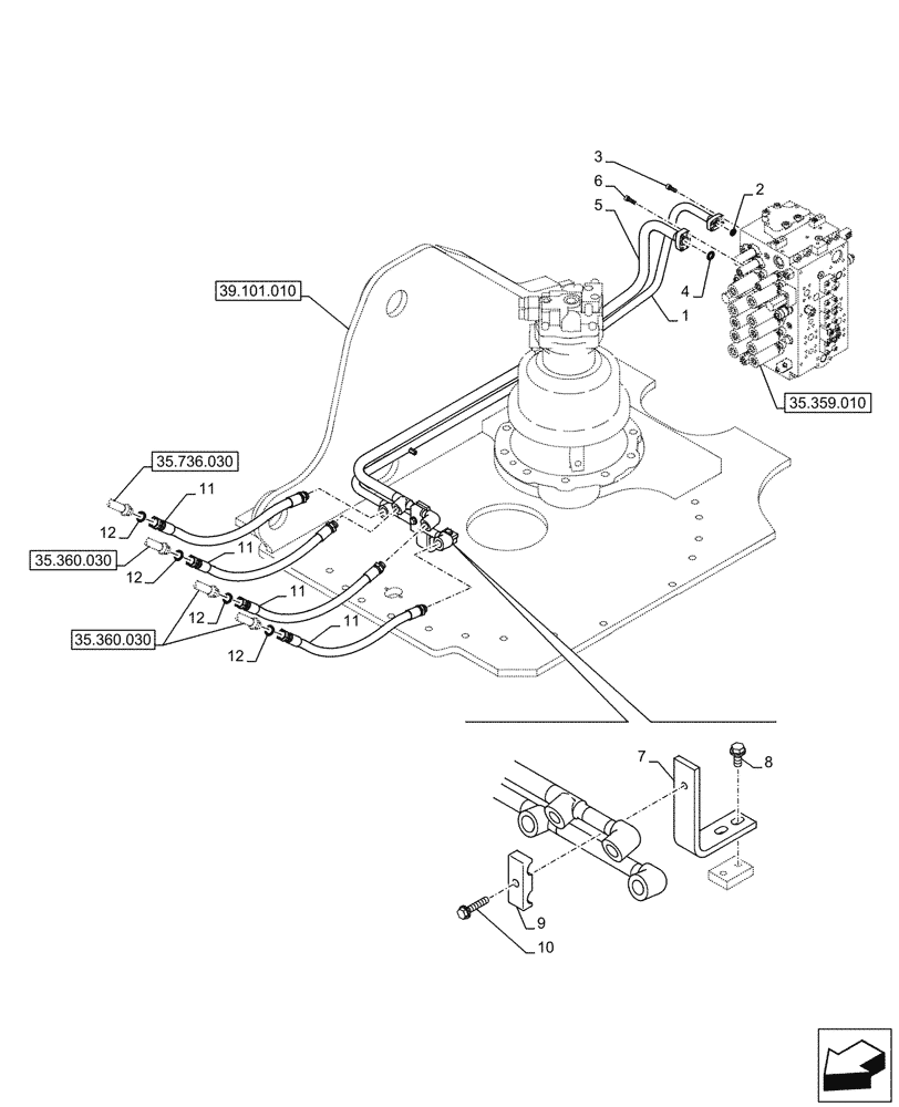
Запчасти Case CX290D LC SL (35.736.010) - LIFT CYLINDER, BOOM, LINES (35) - HYDRAULIC SYSTEMS

Схема запчастей Case CX290D LC SL - (35.736.010) - LIFT CYLINDER, BOOM, LINES (35) - HYDRAULIC SYSTEMS
35.359.010
11
12
11
10
9
2
6
5
7
8
1
4
12
12
11
3
12
11
35.736.030
35.360.030
35.360.030
39.101.010
FIT
1:1
100%

Артикул

Название

Примечание

Количество

1

KBJ21970

PIPE

From Main Control Valve to Boom Cylinder

1шт.

2

161097A1

O-RING

1шт.

3

862-10030

HEX SOC SCREW,M10 x 30mm, Cl 12.9

4шт.

4

162246A1

O-RING

1шт.

5

KBJ21960

PIPE

From Main Control Valve to Boom Cylinder

1шт.

6

862-10035

HEX SOC SCREW,M10 x 35mm, Cl 12.9

4шт.

7

KBJ21980

BRACKET

1шт.

8

166352A1

BOLT

M12 x 30mm

2шт.

9

152085A1

COLLAR

1шт.

10

167183A1

BOLT,Sems, M12 x 60mm, Cl 10.9

1шт.

11

KRJ11331

HYDRAULIC HOSE

19mm ID x 810mm, From Main Control Valve to Boom Cylinder

4шт.

12

KHJ1360

O-RING,0.07" Thk x 0.739" ID

4шт.

Выбрано товаров: 12