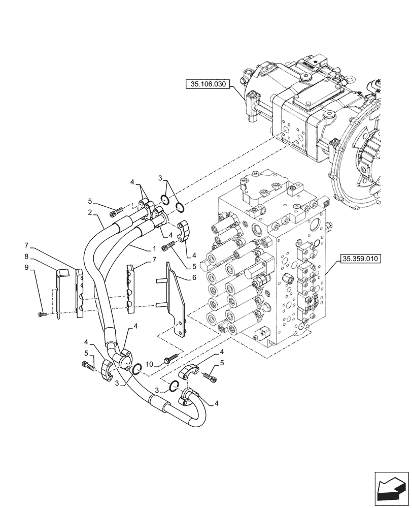
Запчасти Case CX290D LC SL (35.106.020) - VARIABLE DELIVERY HYDRAULIC PUMP, LINES (35) - HYDRAULIC SYSTEMS

Схема запчастей Case CX290D LC SL - (35.106.020) - VARIABLE DELIVERY HYDRAULIC PUMP, LINES (35) - HYDRAULIC SYSTEMS
35.106.030
7
4
3
5
8
4
4
9
3
4
4
1
3
5
4
4
2
7
5
5
6
10
35.359.010
FIT
1:1
100%

Артикул

Название

Примечание

Количество

1

KBJ18970

HYDRAULIC HOSE

22mm ID x 1210mm, From Hydraulic Pump to Main Contro Valve

1шт.

2

KBJ22450

HYDRAULIC HOSE

22mm ID x 960mm, From Hydraulic Pump to Main Contro Valve

1шт.

3

162246A1

O-RING

4шт.

4

150561A1

FLANGE

8шт.

5

862-12040

HEX SOC SCREW,M12 x 40mm, Cl 12.9

16шт.

6

KBJ22460

BRACKET

1шт.

7

KBJ22470

CLAMP

2шт.

8

KBJ22480

PLATE

1шт.

9

166347A1

BOLT,Sems, M10 x 30mm

2шт.

10

167183A1

BOLT,Sems, M12 x 60mm, Cl 10.9

2шт.

Выбрано товаров: 10