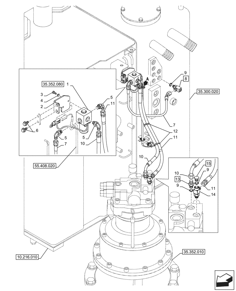
Запчасти Case CX290D LC SL (35.352.070) - VAR - 461568 - MOTO-REDUCTION GEAR, LINES, FREE SWING (35) - HYDRAULIC SYSTEMS

Схема запчастей Case CX290D LC SL - (35.352.070) - VAR - 461568 - MOTO-REDUCTION GEAR, LINES, FREE SWING (35) - HYDRAULIC SYSTEMS
10.216.010
2
9
4
5
5
8
6
3
11
11
11
7
10
9
10
14
10
1
5
15
13
12
7
9
55.408.020
35.352.080
35.300.020
35.352.010
FIT
1:1
100%

Артикул

Название

Примечание

Количество

1

159205A1

VALVE

ASSY

1шт.

2

KBJ24290

BRACKET

1шт.

3

627-6016

BOLT,Hex, M6 x 1 x 16mm, Cl 10.9, Full Thd

2шт.

4

183-106VR

SPRING WASHER

2шт.

5

KHJ28580

ELBOW

G1/4" x G1/4"

3шт.

6

166350A1

BOLT

M8 x 20mm

2шт.

7

KHJ23500

HOSE

6mm ID x 380mm, From Oil Tank to Solenoid Valve

1шт.

8

KHJ2773

TEE

ASSY, G1/4", Incl 9 (Qty 1)

1шт.

9

150960A1

O-RING,10.8mm ID x 2.4mm Width

3шт.

10

KBJ11980

HOSE ASSY.

6mm ID x 600mm, From Solenoid Valve to Motor Swing

1шт.

11

KBJ22090

HYDRAULIC HOSE

6mm ID x 680mm, From Solenoid Valve to Motor Swing

1шт.

12

150496A1

MOUNTING CLIP

250mm

2шт.

13

152127A1

HYD CONNECTOR,1/4" NPT O-Ring x 1/4" NPT

ASSY, G1/4" x G1/4", Incl 9 (Qty 1)

1шт.

14

KHJ11640

ORIFICE

1шт.

15

159002A1

PLUG

ASSY, G1/4", Incl 9 (Qty 1)

1шт.

Выбрано товаров: 15