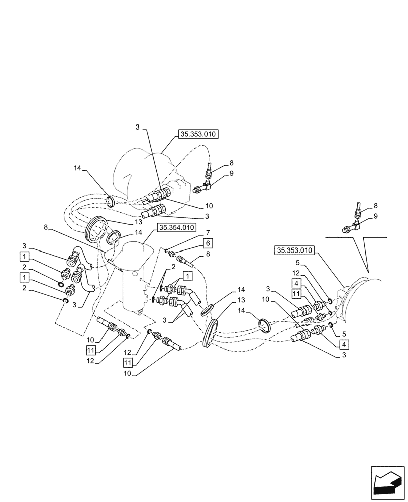
Запчасти Case CX290D LC SL (35.353.060) - TRAVEL MOTOR & REDUCTION GEAR, LINES (35) - HYDRAULIC SYSTEMS

Схема запчастей Case CX290D LC SL - (35.353.060) - TRAVEL MOTOR & REDUCTION GEAR, LINES (35) - HYDRAULIC SYSTEMS
35.354.010
12
3
6
1
14
5
8
9
14
1
3
3
11
10
3
10
5
2
14
10
2
11
3
11
12
8
13
1
13
3
7
8
3
8
2
4
10
9
4
14
12
35.353.010
35.353.010
FIT
1:1
100%

Артикул

Название

Примечание

Количество

1

151655A1

HYD CONNECTOR,1" NPT O-Ring x 1" NPT

ASSY, G1" X G1", Incl 2

4шт.

2

152211A1

O-RING

4шт.

3

159418A1

HYDRAULIC HOSE,25.4mm ID x 2350mm L

From Traction motor to Hydraulic Swivel

4шт.

4

153001A1

ADAPTER

ASSY, Incl 5

4шт.

5

150542A1

O-RING

4шт.

6

152127A1

HYD CONNECTOR,1/4" NPT O-Ring x 1/4" NPT

ASSY, G1/4" X G1/4", Incl 7

2шт.

7

150960A1

O-RING,10.8mm ID x 2.4mm Width

2шт.

8

157203A1

HOSE,2800.00 mm

4mm ID x 2800mm, From Traction motor to Hydraulic Swivel

2шт.

9

KHJ1178

ELBOW

G1/4" XG1/4"

2шт.

10

151919A1

HOSE ASSY.,12.70 mm ID x 2360.00 mm

From Traction motor to Hydraulic Swivel

2шт.

11

151650A1

HYD CONNECTOR,1/2" NPT O-Ring x 1/2" NPT

ASSY, G1/2" X G1/2", Incl 12

4шт.

12

150539A1

O-RING

4шт.

13

159398A1

RUBBER BLOCK

32mm ID x 430mm

2шт.

14

150071A1

MOUNTING CLIP

L=380mm

4шт.

Выбрано товаров: 14