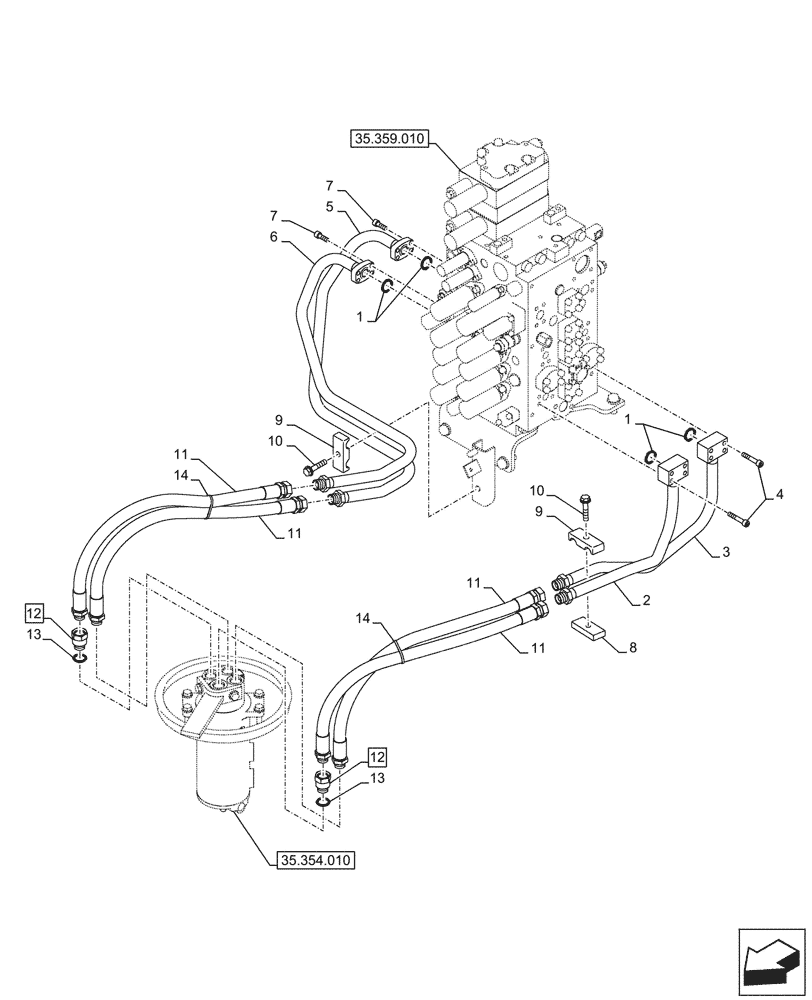
Запчасти Case CX290D LC SL (35.354.020) - HYDRAULIC SWIVEL, LINE (35) - HYDRAULIC SYSTEMS

Схема запчастей Case CX290D LC SL - (35.354.020) - HYDRAULIC SWIVEL, LINE (35) - HYDRAULIC SYSTEMS
35.354.010
13
11
12
7
10
9
2
10
1
11
8
3
4
9
7
14
1
11
12
11
6
13
5
14
35.359.010
FIT
1:1
100%

Артикул

Название

Примечание

Количество

1

161097A1

O-RING

4шт.

2

KBJ20320

PIPE

From Control Valve to Hydraulic Swivel

1шт.

3

KBJ18850

PIPE

From Control Valve to Hydraulic Swivel

1шт.

4

862-10055

HEX SOC SCREW,M10 x 55mm, Cl 12.9

8шт.

5

KBJ18831

PIPE

From Control Valve to Hydraulic Swivel

1шт.

6

KBJ18821

PIPE

From Control Valve to Hydraulic Swivel

1шт.

7

862-10030

HEX SOC SCREW,M10 x 30mm, Cl 12.9

8шт.

8

KRJ10720

PLATE

1шт.

9

152085A1

COLLAR

2mm x 27.2mm

2шт.

10

167183A1

BOLT,Sems, M12 x 60mm, Cl 10.9

2шт.

11

KBJ10430

HYDRAULIC HOSE,19.00 mm ID x 820.00 mm

From Control Valve to Hydraulic Swivel

4шт.

12

KHJ11060

STUD

G3/4", ASSY, Incl 13

2шт.

13

150542A1

O-RING

2шт.

14

150498A1

MOUNTING CLIP

300mm

2шт.

Выбрано товаров: 14