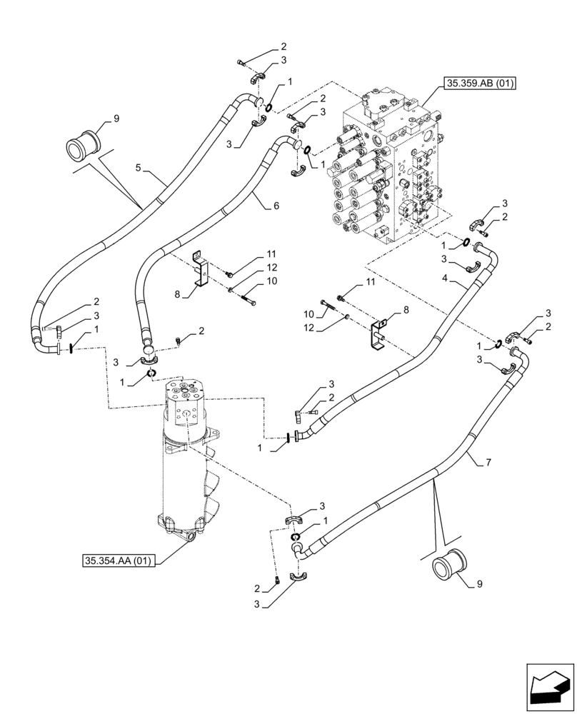
Запчасти Case CX300D LC (35.354.AF) - HYDRAULIC SWIVEL LINE (35) - HYDRAULIC SYSTEMS

Схема запчастей Case CX300D LC - (35.354.AF) - HYDRAULIC SWIVEL LINE (35) - HYDRAULIC SYSTEMS
2
3
11
6
3
10
2
1
1
1
9
11
12
8
3
1
3
7
2
2
1
2
3
35.354.aa (01)
2
2
2
3
3
3
5
1
3
12
9
4
1
8
3
35.359.ab (01)
3
3
1
10
FIT
1:1
100%

Артикул

Название

Примечание

Количество

1

162246A1

O-RING

8шт.

2

862-10030

HEX SOC SCREW,M10 x 30mm, Cl 12.9

M10 x 30mm

32шт.

3

153459A1

FLANGE

16шт.

4

KBJ22881

HYDRAULIC HOSE

25mm ID x 1260mm

1шт.

5

KBJ22871

HYDRAULIC HOSE

25mm ID x 1660mm

1шт.

6

KBJ25200

HYDRAULIC HOSE

25mm ID x 1430mm

1шт.

7

KBJ22861

HYDRAULIC HOSE

25mm ID x 1510mm

1шт.

8

KSJ18440

BRACKET

2шт.

9

KHJ2373

HOSE CLAMP

4шт.

10

827-10070

BOLT,Hex, M10 x 1.5 x 70mm, Cl 10.9

M10 x 70mm

2шт.

11

166052A1

BOLT

M10 x 25mm

2шт.

12

150409A1

WASHER

2шт.

Выбрано товаров: 12