Запчасти Case CX300D LC (35.359.AY[03]) - VAR - 461863 - RELIEF VALVE, CLAMSHELL BUCKET, ROTATION, W/ ELECTRICAL PROPORTIONAL CONTROL, ROTATION (35) - HYDRAULIC SYSTEMS

Схема запчастей Case CX300D LC - (35.359.AY[03]) - VAR - 461863 - RELIEF VALVE, CLAMSHELL BUCKET, ROTATION, W/ ELECTRICAL PROPORTIONAL CONTROL, ROTATION (35) - HYDRAULIC SYSTEMS
35.359.ab (06)
16
15
16
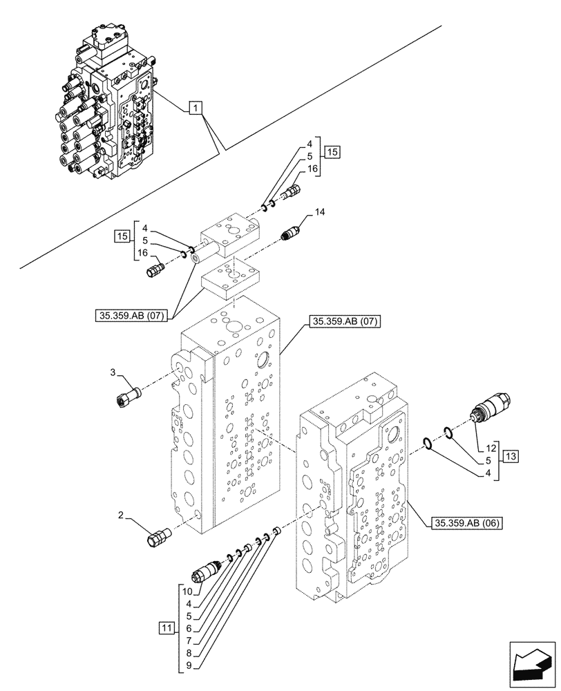
1
14
15
2
4
9
3
4
4
5
13
4
11
5
5
7
6
12
8
5
10
35.359.ab (07)
35.359.ab (07)
FIT
1:1
100%

Артикул

Название

Примечание

Количество

1

KBJ19222

CONTROL VALVE

Grey, ASSY, Incl 2 - 18

1шт.

See also Figure 35.359.AB (05), 35.359.AB (06), 35.359.AB (07), 35.359.AB (08)

1шт.

2

LJ019090

VALVE

Relief

1шт.

3

LJ023210

VALVE

Relief

2шт.

4

155223A1

O-RING

15шт.

5

154463A1

O-RING

10шт.

6

164905A1

BACK-UP RING

10шт.

7

164906A1

O-RING

5шт.

8

163323A1

O-RING

5шт.

9

164575A1

BACK-UP RING

10шт.

10

NSS

NOT SOLD SEPARAT

Relief Valve, Incl in 11

5шт.

11

LJ00734

HYDRAULIC VALVE

Relief, ASSY, Incl 4 (Qty 10), 5 (Qty 5), 6 - 10

5шт.

12

NSS

NOT SOLD SEPARAT

Relief Valve, Incl in 13

1шт.

13

LJ022740

VALVE

ASSY, Incl 4 (Qty 1), 5 (Qty 1), 12

1шт.

14

LJ019010

VALVE PRESSURE RELIE

1шт.

15

LJ014750

CHECK VALVE

ASSY, Inlc 16, 4 (Qty 1), 5 (Qty 1)

2шт.

16

NSS

NOT SOLD SEPARAT

Relief Valve, Incl in 15

2шт.

Выбрано товаров: 17