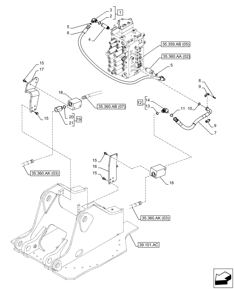
Запчасти Case CX300D LC (35.360.AB[06]) - VAR - 461871 - SHEARS, LINE, AUXILIARY CIRCUIT, W/ ELECTRICAL PROPORTIONAL CONTROL (35) - HYDRAULIC SYSTEMS

Схема запчастей Case CX300D LC - (35.360.AB[06]) - VAR - 461871 - SHEARS, LINE, AUXILIARY CIRCUIT, W/ ELECTRICAL PROPORTIONAL CONTROL (35) - HYDRAULIC SYSTEMS
20
16
12
2
9
15
7
5
17
15
5
4
14
21
15
35.360.ak (03)
15
18
35.360.ak (03)
6
11
8
10
13
39.101.ac
18
9
35.359.ab (05)
19
3
1
35.360.ab (07)
35.360.aa (02)
FIT
1:1
100%

Артикул

Название

Примечание

Количество

1

KHJ1804

ELBOW

ASSY, Incl 2, 3

1шт.

2

154503A1

O-RING

1шт.

3

NSS

NOT SOLD SEPARAT

90°-Fitting, Incl in 1

1шт.

4

KHJ26310

STUD

1шт.

5

KHJ1360

O-RING,0.07" Thk x 0.739" ID

2шт.

6

KBJ12520

HYDRAULIC HOSE,19.00 mm ID x 1250.00 mm

1шт.

7

KBJ23800

HYDRAULIC HOSE

1шт.

8

862-10030

HEX SOC SCREW,M10 x 30mm, Cl 12.9

4шт.

9

153459A1

FLANGE

2шт.

10

155211A1

O-RING

1шт.

11

KHJ1361

O-RING,0.07" Thk x 0.926" ID

1шт.

12

KHJ11370

ELBOW

ASSY, Incl 13, 14

1шт.

13

154523A1

O-RING

1шт.

14

NSS

NOT SOLD SEPARAT

45°-Fitting, Incl in 12

1шт.

15

166352A1

BOLT

12шт.

16

KRJ11470

SUPPORT

1шт.

17

KBJ16300

BRACKET, SUPPORTING

1шт.

18

KRJ12170

MANIFOLD VALVE

2шт.

19

KHJ25900

SOCKET

ASSY, Incl 20, 21

1шт.

20

152211A1

O-RING

1шт.

21

NSS

NOT SOLD SEPARAT

Socket, Incl in 19

1шт.

Выбрано товаров: 21