Запчасти Case CX300D LC (35.360.AK[03]) - VAR - 461871 - BOOM, LINE, AUXILIARY CIRCUIT SHEARS, W/ ELECTRICAL PROPORTIONAL CONTROL (35) - HYDRAULIC SYSTEMS

Схема запчастей Case CX300D LC - (35.360.AK[03]) - VAR - 461871 - BOOM, LINE, AUXILIARY CIRCUIT SHEARS, W/ ELECTRICAL PROPORTIONAL CONTROL (35) - HYDRAULIC SYSTEMS
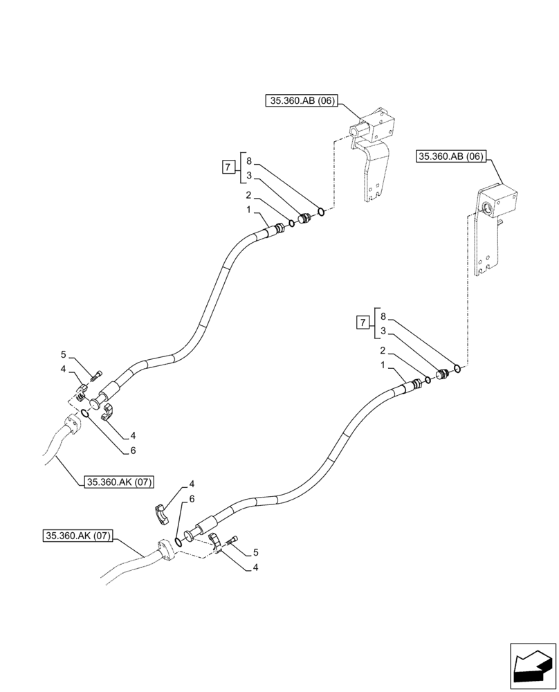
35.360.ab (06)
7
35.360.ak (07)
1
4
4
35.360.ak (07)
3
6
4
2
2
5
3
4
8
7
6
5
8
35.360.ab (06)
1
FIT
1:1
100%

Артикул

Название

Примечание

Количество

1

KBJ11790

HYDRAULIC HOSE,25.40 mm ID x 1550.00 mm

2шт.

2

KHJ1361

O-RING,0.07" Thk x 0.926" ID

2шт.

3

NSS

NOT SOLD SEPARAT

Fitting, Incl in 7

2шт.

4

150124A1

FLANGE

4шт.

5

862-14050

HEX SOC SCREW,M14 x 50mm, Cl 12.9

8шт.

6

164450A1

O-RING

2шт.

7

KHJ1349

ADAPTER

ASSY, Incl 3, 8

2шт.

8

154523A1

O-RING

2шт.

Выбрано товаров: 8